Запчасти Komatsu SAA6D170E-5C ДВИГАТЕЛЬ МАСЛОНАЛИВНОЙ ПАТРУБОК (№7-) ДВИГАТЕЛЬ МАСЛОНАЛИВНОЙ ПАТРУБОК

Схема запчастей Komatsu SAA6D170E-5C - ДВИГАТЕЛЬ МАСЛОНАЛИВНОЙ ПАТРУБОК (№7-) ДВИГАТЕЛЬ МАСЛОНАЛИВНОЙ ПАТРУБОК
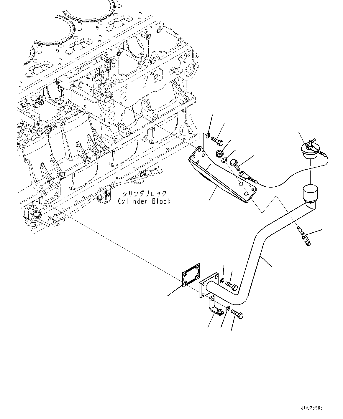
1
2
3
4
5
7
6
9
10
11
12
13
14
15
8
FIT
1:1
100%

Артикул

Название

Примечание

Количество

1

6245-21-7610

Filler, Oil

SN: 511700-UP

1шт.

2

07025-00100

Cap, Oil Filler

SN: 511700-UP

1шт.

3

01435-00816

Bolt

SN: 511700-UP

1шт.

4

6206-21-6871

Gasket

SN: 511700-UP

1шт.

5

01010-81030

Bolt

SN: 511700-UP

3шт.

6

01643-31032

Washer

SN: 511700-UP

3шт.

7

01010-81035

Bolt

SN: 511700-UP

1шт.

8

01643-31032

Washer

SN: 511700-UP

1шт.

9

6934-71-5860

Bracket

SN: 511700-UP

1шт.

10

6245-21-7630

Bracket

SN: 511700-UP

1шт.

11

01010-81025

Bolt

SN: 511700-UP

4шт.

12

01643-31032

Washer

SN: 511700-UP

4шт.

13

07283-34346

Clip

SN: 511700-UP

1шт.

14

01643-31032

Washer

SN: 511700-UP

2шт.

15

01597-01009

Nut

SN: 511700-UP

2шт.

Выбрано товаров: 15