Качественные детали и логистика
Оригинальные и аналоговые запчасти с доставкой по России, Казахстану и Беларуси
©2022 PartSell ООО "Система" ИНН 2463123282 ОГРН 1212400004838
Центральный офис: г. Красноярск, Академика Киренского, д.87, пом.4
Телефон: 8 (800) 777-65-74 Email: zakaz@partsell.ru
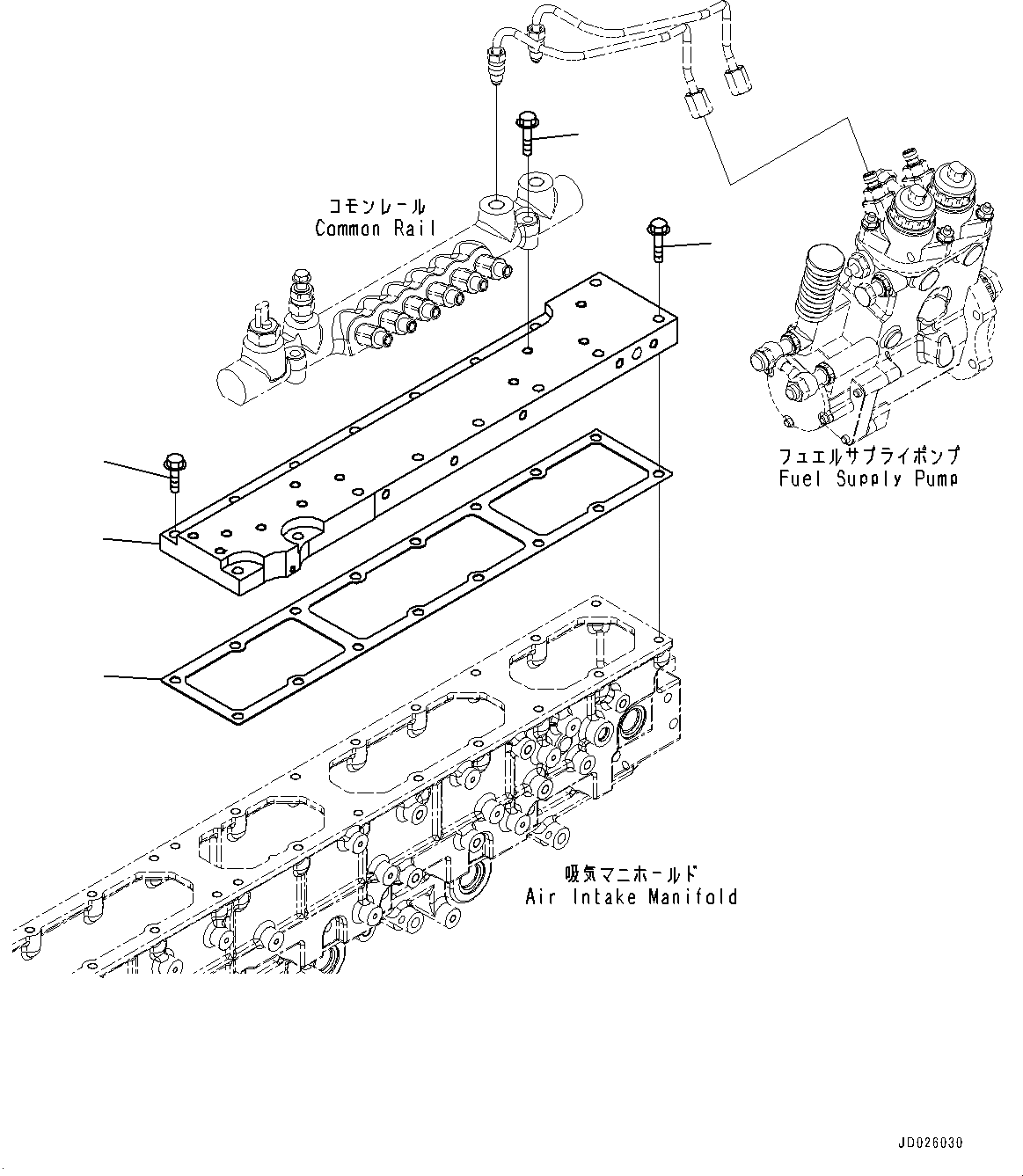
ТОПЛИВН. НАСОС, COMMON RAIL КРЕПЛЕНИЕ (№7-)
№
Артикул
Название
Примечание
Количество
1
01435-01045
Bolt
SN: 511700-UP
2шт.
2
6245-71-5210
Plate
1шт.
3
6245-11-4170
Gasket
4
01435-01050
7шт.
5
01435-01035
9шт.
Выбрано товаров: 0