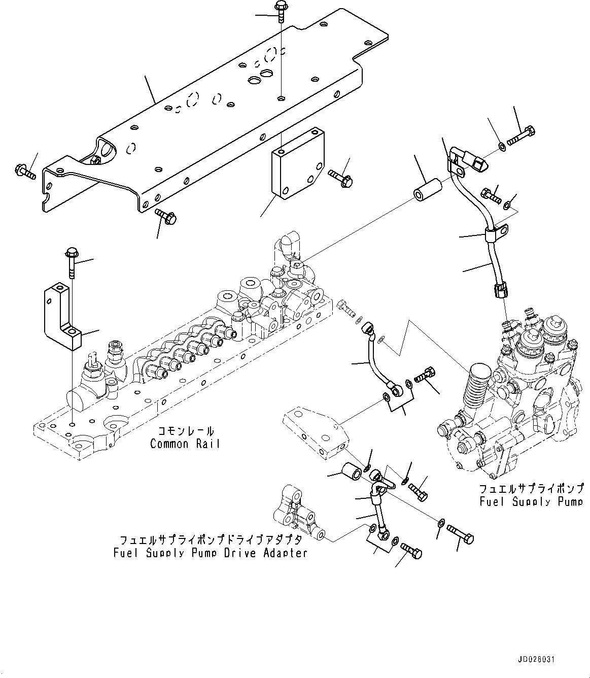
Запчасти Komatsu SAA6D170E-5C ТОПЛИВН. НАСОС, ТОПЛИВН. НАСОС ПРОВОДКА И СМАЗКА (№7-) ТОПЛИВН. НАСОС

Схема запчастей Komatsu SAA6D170E-5C - ТОПЛИВН. НАСОС, ТОПЛИВН. НАСОС ПРОВОДКА И СМАЗКА (№7-) ТОПЛИВН. НАСОС
23
22
21
20
19
18
7
6
5
3
2
1
19
4
2
19
17
16
15
14
13
12
11
10
9
8
10
9
10
FIT
1:1
100%

Артикул

Название

Примечание

Количество

1

6245-81-9130

Wiring Harness

SN: 511700-UP

1шт.

2

600-051-2100

Clip

SN: 511700-UP

2шт.

3

01010-81065

Bolt

SN: 511700-UP

1шт.

4

01643-31032

Washer

SN: 511700-UP

1шт.

5

6152-21-6590

Spacer

SN: 511700-UP

1шт.

6

01010-81020

Bolt

SN: 511700-UP

1шт.

7

01643-31032

Washer

SN: 511700-UP

1шт.

8

6245-51-6130

Tube

SN: 511700-UP

1шт.

9

07206-30710

Bolt, Joint

SN: 511700-UP

2шт.

10

07005-01012

Seal, Washer

SN: 511700-UP

4шт.

11

6210-51-8320

Clip

SN: 511700-UP

1шт.

12

01010-81045

Bolt

SN: 511700-UP

1шт.

13

01643-31032

Washer

SN: 511700-UP

1шт.

14

6128-21-6730

Spacer

SN: 511700-UP

1шт.

15

6245-51-6120

Tube

SN: 511700-UP

1шт.

16

07206-30710

Bolt, Joint

SN: 511700-UP

1шт.

17

07005-01012

Seal, Washer

SN: 511700-UP

2шт.

18

6245-11-4151

Bracket

SN: 511700-UP

1шт.

19

01435-01020

Bolt

SN: 511700-UP

5шт.

20

6245-11-4230

Block

SN: 511700-UP

1шт.

21

01435-01055

Bolt

SN: 511700-UP

1шт.

22

6245-11-4250

Plate

SN: 511700-UP

1шт.

23

01435-01040

Bolt

SN: 511700-UP

3шт.

Выбрано товаров: 0