Запчасти Komatsu SAA6D170E-5C РАСПРЕДВАЛ, КОРОМЫСЛО И КОЖУХ (№7-) РАСПРЕДВАЛ

Схема запчастей Komatsu SAA6D170E-5C - РАСПРЕДВАЛ, КОРОМЫСЛО И КОЖУХ (№7-) РАСПРЕДВАЛ
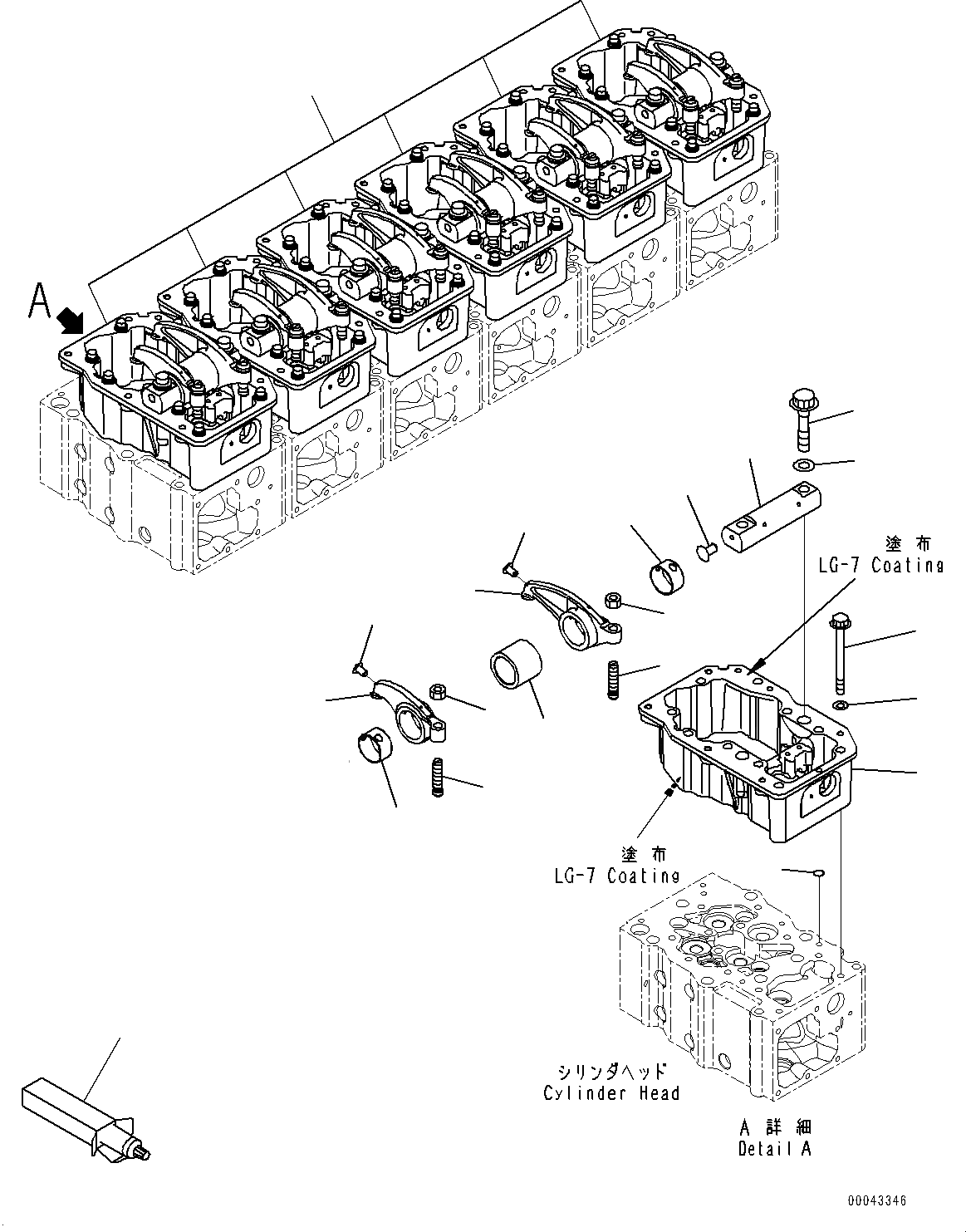
1
2
3
4
5
6
7
8
9
10
11
12
13
14
15
16
17
18
19
20
1
FIT
1:1
100%

Артикул

Название

Примечание

Количество

1

6245-11-7111

Housing, Rocker

SN: 511700-UP

6шт.

|$1

6245-41-5300

Shaft Assembly

SN: 511700-UP

6шт.

2

Shaft, Arm

SN: 511700-UP

1шт.

3

6240-41-5340

Rivet

SN: 511700-UP

1шт.

4

6245-41-5440

Spacer

SN: 511700-UP

6шт.

|$5

6240-41-5400

Rocker Arm Assembly, Exhaust

SN: 511700-UP

6шт.

5

Arm, Rocker

SN: 511700-UP

1шт.

6

6240-41-5420

Bushing

SN: 511700-UP

1шт.

7

6240-41-5430

Rivet

SN: 511700-UP

1шт.

8

6240-41-5460

Screw, Adjusting

SN: 511700-UP

6шт.

9

6127-41-5431

Nut, Lock

SN: 511700-UP

6шт.

|$11

6240-41-5500

Rocker Arm Assembly, Intake

SN: 511700-UP

6шт.

10

Arm, Rocker

SN: 511700-UP

1шт.

11

6240-41-5420

Bushing

SN: 511700-UP

1шт.

12

6240-41-5430

Rivet

SN: 511700-UP

1шт.

13

6240-41-5460

Screw, Adjusting

SN: 511700-UP

6шт.

14

6127-41-5431

Nut, Lock

SN: 511700-UP

6шт.

15

6240-41-5350

Bolt

SN: 511700-UP

12шт.

16

6150-31-1810

Washer

SN: 511700-UP

12шт.

17

07000-72012

O-ring

SN: 511700-UP

6шт.

18

01438-01220

Bolt

SN: 511700-UP

60шт.

19

6240-11-7150

Washer

SN: 511700-UP

60шт.

20

09920-00150

Liquid gasket, LG-7, 150G

SN: 511700-UP

-2шт.

Выбрано товаров: 23