Запчасти Komatsu SAA6D170E-5C КРЫШКА ТОЛКАТЕЛЕЙ КЛАПАНА (№7-) КРЫШКА ТОЛКАТЕЛЕЙ КЛАПАНА

Схема запчастей Komatsu SAA6D170E-5C - КРЫШКА ТОЛКАТЕЛЕЙ КЛАПАНА (№7-) КРЫШКА ТОЛКАТЕЛЕЙ КЛАПАНА
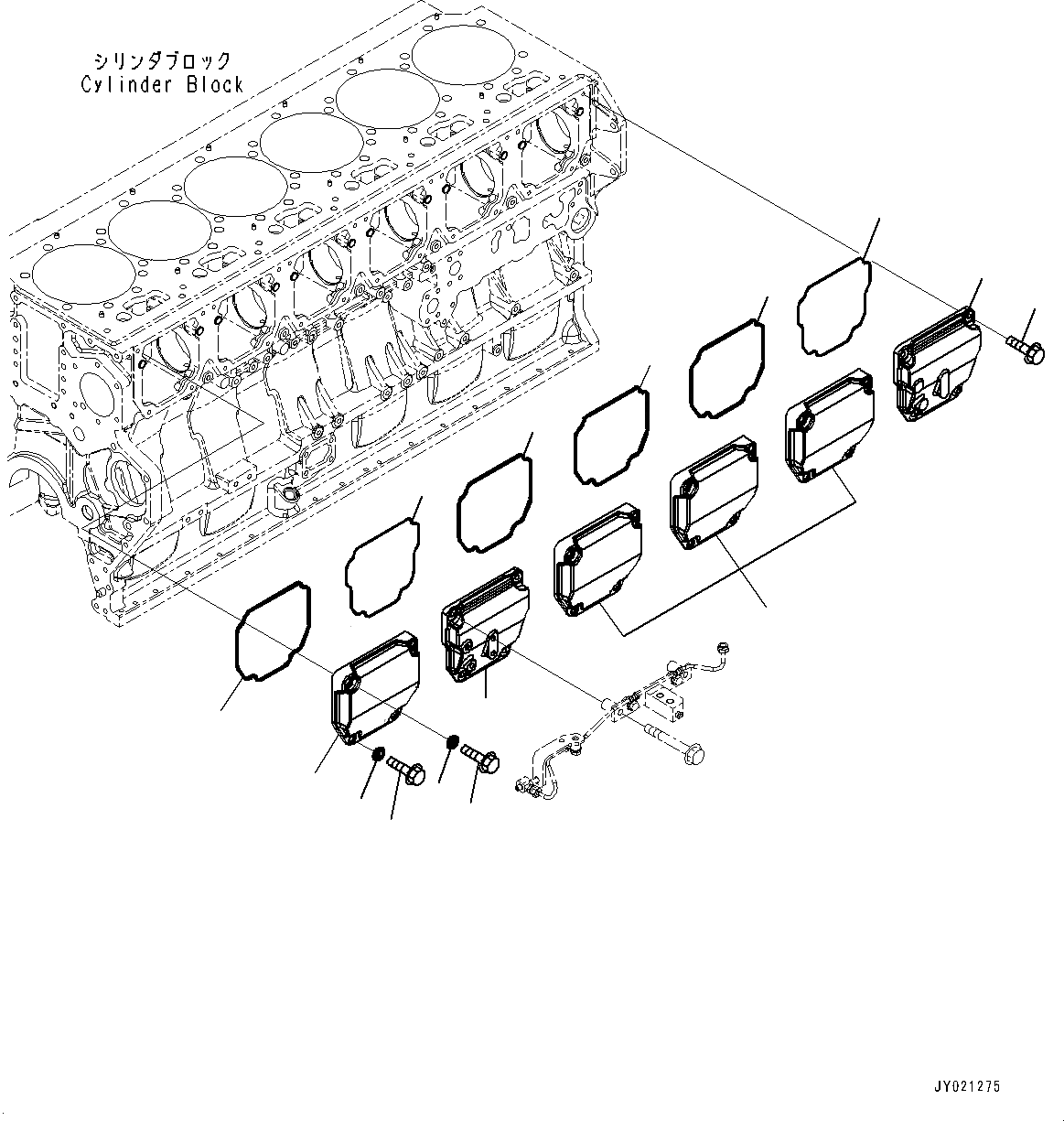
1
2
7
3
4
5
1
2
3
6
2
6
7
8
2
FIT
1:1
100%

Артикул

Название

Примечание

Количество

|$0

6240-21-6400

Cover Assembly

SN: 511700-UP

4шт.

1

6240-21-6410

Cover, Cam Follower

SN: 511700-UP

1шт.

2

6240-21-6450

O-ring

SN: 511700-UP

1шт.

3

6150-21-6391

Packing

SN: 511700-UP

16шт.

4

01435-01030

Bolt

SN: 511700-UP

8шт.

5

01435-01050

Bolt

SN: 511700-UP

8шт.

6

6245-21-6411

Cover, Cam Follower With Flange

SN: 511700-UP

2шт.

7

6245-21-6420

O-ring

SN: 511700-UP

2шт.

8

01435-01025

Bolt

SN: 511700-UP

6шт.

Выбрано товаров: 9