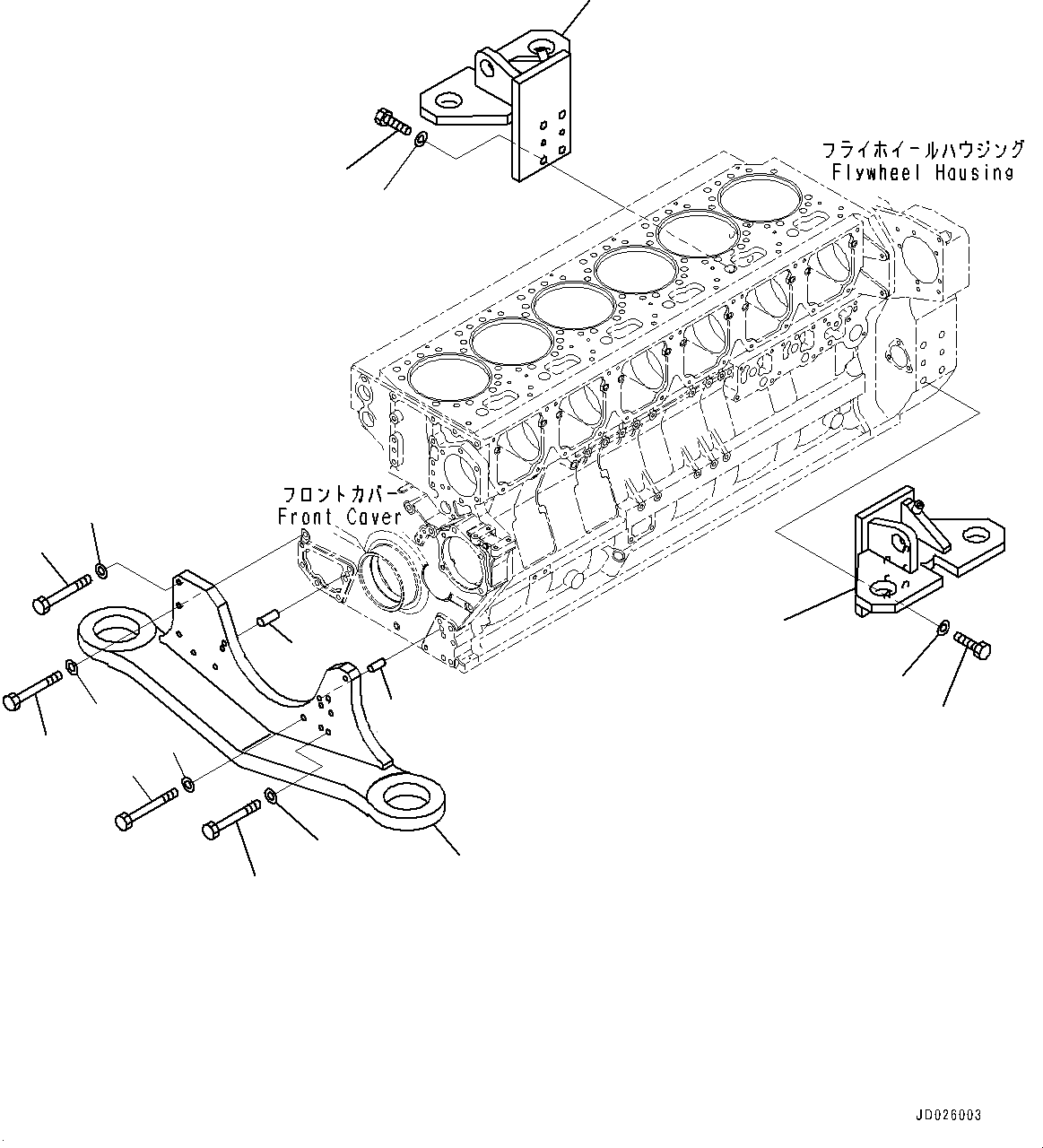
Запчасти Komatsu SAA6D170E-5C КРЕПЛЕНИЕ ДВИГАТЕЛЯ (№7-) КРЕПЛЕНИЕ ДВИГАТЕЛЯ, ДЛЯ RUST PREВЕНТИЛЯТОРION TREATMENT

Схема запчастей Komatsu SAA6D170E-5C - КРЕПЛЕНИЕ ДВИГАТЕЛЯ (№7-) КРЕПЛЕНИЕ ДВИГАТЕЛЯ, ДЛЯ RUST PREВЕНТИЛЯТОРION TREATMENT
3
3
7
6
4
3
2
1
2
5
6
10
11
9
8
11
10
FIT
1:1
100%

Артикул

Название

Примечание

Количество

1

21N-01-41121

Bracket,Front

SN: 511700-UP

1шт.

2

04020-01434

Pin, Dowel

SN: 511700-UP

2шт.

3

01011-81210

Bolt

SN: 511700-UP

14шт.

4

01010-81250

Bolt

SN: 511700-UP

1шт.

5

01643-31232

Washer

SN: 511700-UP

1шт.

6

01643-31232

Washer

SN: 511700-UP

12шт.

7

01643-51232

Washer

SN: 511700-UP

2шт.

8

6240-21-4850

Bracket

SN: 511700-UP

1шт.

9

6240-21-4840

Bracket

SN: 511700-UP

1шт.

10

01010-61885

Bolt

SN: 511700-UP

8шт.

11

01643-31845

Washer

SN: 511700-UP

8шт.

Выбрано товаров: 11