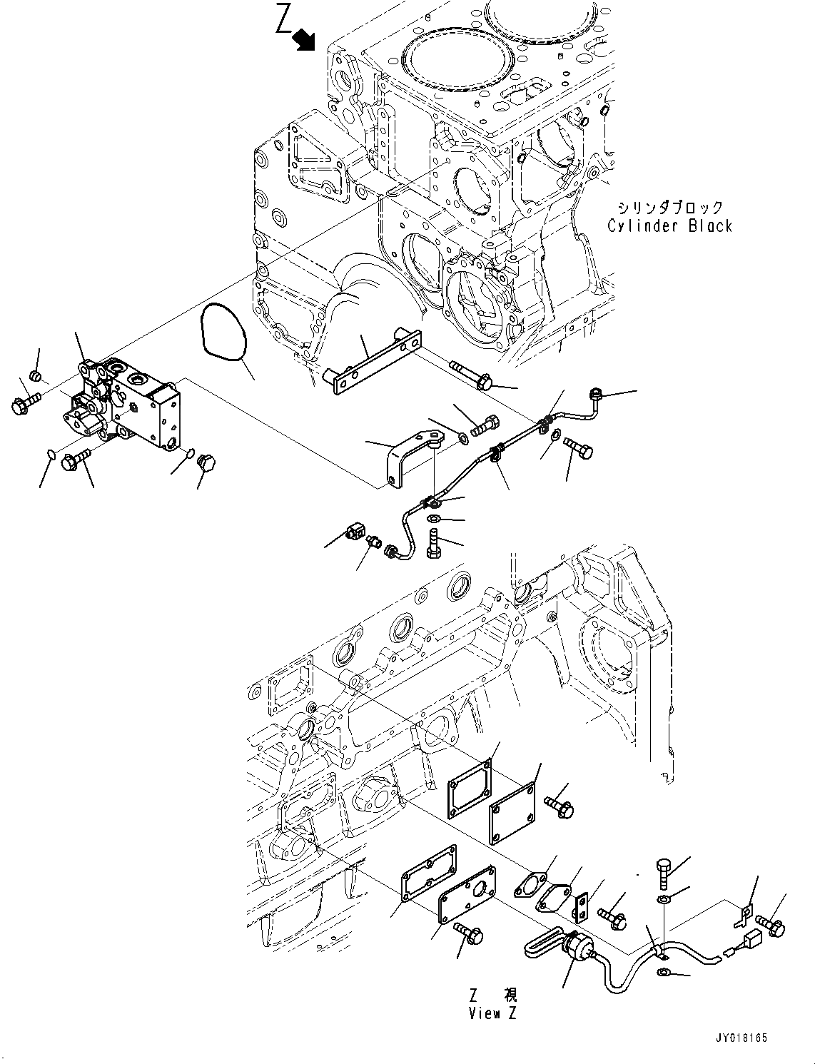
Запчасти Komatsu SAA6D170E-5C ЭЛЕМЕНТЫ БЛОКА ЦИЛИНДРОВ, СМАЗ. ФИТТИНГ ТРУБКА И ЗАГЛУШКА (№-) ЭЛЕМЕНТЫ БЛОКА ЦИЛИНДРОВ, ДЛЯ ХОЛОДН. AREA СПЕЦ-ЯIFICATION A (- DEG C)

Схема запчастей Komatsu SAA6D170E-5C - ЭЛЕМЕНТЫ БЛОКА ЦИЛИНДРОВ, СМАЗ. ФИТТИНГ ТРУБКА И ЗАГЛУШКА (№-) ЭЛЕМЕНТЫ БЛОКА ЦИЛИНДРОВ, ДЛЯ ХОЛОДН. AREA СПЕЦ-ЯIFICATION A (- DEG C)
20
21
22
23
24
22
15
25
26
1
2
3
27
28
29
33
38
38
37
36
35
34
31
30
32
5
6
7
8
9
10
11
12
13
14
19
16
18
17
4
FIT
1:1
100%

Артикул

Название

Примечание

Количество

1

6162-23-6530

Plate

SN: 512416-UP

1шт.

2

6127-51-6822

Gasket

SN: 512416-UP

1шт.

3

01435-01025

Bolt

SN: 512684-UP

1шт.

3

01435-01020

Bolt

SN: 512416-512683

1шт.

4

426-01-11310

Bracket

SN: 512684-UP

1шт.

4

01580-01008

Nut

SN: 512684-UP

1шт.

5

6245-81-6110

Block

SN: 512416-UP

1шт.

6

07000-72115

O-ring

SN: 512416-UP

1шт.

7

01435-01235

Bolt

SN: 512416-UP

1шт.

8

01435-01250

Bolt

SN: 512416-UP

5шт.

9

07040-11812

Plug

SN: 512416-UP

1шт.

10

07002-21823

O-ring

SN: 512416-UP

1шт.

11

07043-70211

Plug

SN: 512416-UP

1шт.

12

07000-72014

O-ring

SN: 512416-UP

1шт.

13

6127-81-4690

Nipple

SN: 512416-UP

1шт.

14

07213-50710

Connector

SN: 512416-UP

1шт.

15

6245-81-6710

Tube

SN: 512416-UP

1шт.

16

6150-71-8231

Clip

SN: 512416-UP

1шт.

17

01010-81025

Bolt

SN: 512416-UP

1шт.

18

01643-31032

Washer

SN: 512416-UP

1шт.

19

6245-81-6730

Bracket

SN: 512416-UP

1шт.

20

01010-81025

Bolt

SN: 512416-UP

1шт.

21

01643-31032

Washer

SN: 512416-UP

1шт.

22

6150-71-8231

Clip

SN: 512416-UP

2шт.

23

01010-81025

Bolt

SN: 512416-UP

2шт.

24

01643-31032

Washer

SN: 512416-UP

2шт.

25

6245-81-6720

Bracket

SN: 512416-UP

1шт.

26

01435-01070

Bolt

SN: 512416-UP

2шт.

27

6240-21-1960

Plate

SN: 512416-UP

1шт.

28

6210-21-1971

Gasket

SN: 512416-UP

1шт.

29

01435-01020

Bolt

SN: 512416-UP

3шт.

30

6162-63-6630

Plate

SN: 512416-UP

1шт.

31

6162-63-6731

Gasket

SN: 512416-UP

1шт.

32

01435-00820

Bolt

SN: 512416-UP

6шт.

33

600-815-9350

Heater, Brock

SN: 512416-UP

1шт.

34

08193-20010

Clip

SN: 512416-UP

1шт.

35

01435-01020

Bolt

SN: 512416-UP

1шт.

36

600-051-2080

Clip

SN: 512416-UP

1шт.

37

01010-81025

Bolt

SN: 512416-UP

1шт.

38

01643-31032

Washer

SN: 512416-UP

2шт.

Выбрано товаров: 40