Запчасти Komatsu SAA6D170E-5C ЭЛЕМЕНТЫ БЛОКА ЦИЛИНДРОВ, ДАТЧИК ПРОРЫВА ГАЗОВ И ДАТЧИК ТЕМПЕРАТУРЫ ВОДЫ (№-) ЭЛЕМЕНТЫ БЛОКА ЦИЛИНДРОВ, ДЛЯ ХОЛОДН. AREA СПЕЦ-ЯIFICATION A (- DEG C)

Схема запчастей Komatsu SAA6D170E-5C - ЭЛЕМЕНТЫ БЛОКА ЦИЛИНДРОВ, ДАТЧИК ПРОРЫВА ГАЗОВ И ДАТЧИК ТЕМПЕРАТУРЫ ВОДЫ (№-) ЭЛЕМЕНТЫ БЛОКА ЦИЛИНДРОВ, ДЛЯ ХОЛОДН. AREA СПЕЦ-ЯIFICATION A (- DEG C)
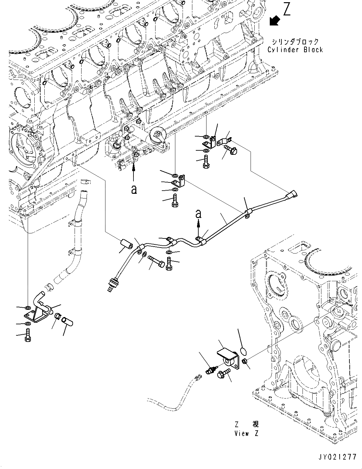
1
2
3
5
6
7
8
9
13
10
11
12
14
15
16
18
19
20
21
22
24
25
26
27
28
29
30
31
23
4
17
FIT
1:1
100%

Артикул

Название

Примечание

Количество

1

6218-81-4111

Sensor Assembly

SN: 512416-UP

1шт.

2

6245-21-6220

Tube

SN: 512416-UP

1шт.

3

01010-81050

Bolt

SN: 512416-UP

2шт.

4

01643-31032

Washer

SN: 512416-UP

2шт.

5

01643-31032

Washer

SN: 512416-UP

2шт.

6

600-051-2100

Clip

SN: 512416-UP

1шт.

7

01010-81065

Bolt

SN: 512416-UP

1шт.

8

01643-31032

Washer

SN: 512416-UP

1шт.

9

6152-21-6590

Spacer

SN: 512416-UP

1шт.

10

600-051-2100

Clip

SN: 512416-UP

1шт.

11

01010-81016

Bolt

SN: 512416-UP

1шт.

12

01643-31032

Washer

SN: 512416-UP

1шт.

13

600-051-2100

Clip

SN: 512416-UP

1шт.

14

600-051-2100

Clip

SN: 512416-UP

1шт.

15

6934-71-5860

Bracket

SN: 512416-UP

1шт.

16

01010-81055

Bolt

SN: 512416-UP

1шт.

17

01643-31032

Washer

SN: 512416-UP

1шт.

18

01643-31032

Washer

SN: 512416-UP

1шт.

19

08193-20010

Clip

SN: 512416-UP

1шт.

20

01435-01016

Bolt

SN: 512416-UP

1шт.

21

6934-71-5860

Bracket

SN: 512416-UP

1шт.

22

01010-81055

Bolt

SN: 512416-UP

1шт.

23

01643-31032

Washer

SN: 512416-UP

1шт.

24

01643-31032

Washer

SN: 512416-UP

1шт.

25

07286-01983

Hose

SN: 512416-UP

1шт.

26

07285-00220

Clip

SN: 512416-UP

1шт.

27

6245-21-6810

Adapter

SN: 512416-UP

1шт.

28

6240-61-6370

O-ring

SN: 512416-UP

1шт.

29

01435-01025

Bolt

SN: 512416-UP

1шт.

30

417-823-1460

Spacer

SN: 512416-UP

1шт.

31

6261-81-6901

Sensor Assembly

SN: 512416-UP

1шт.

31

6216-84-9740

Seal

SN: 512416-UP

1шт.

Выбрано товаров: 32