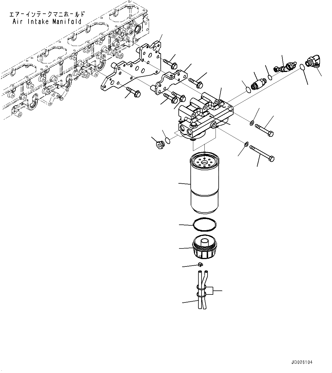
Запчасти Komatsu SAA6D170E-5CR ТОПЛИВН. ФИЛЬТР. И ТРУБЫ, PREФИЛЬТР. И КРЕПЛЕНИЕ (№9-8) ТОПЛИВН. ФИЛЬТР. И ТРУБЫ

Схема запчастей Komatsu SAA6D170E-5CR - ТОПЛИВН. ФИЛЬТР. И ТРУБЫ, PREФИЛЬТР. И КРЕПЛЕНИЕ (№9-8) ТОПЛИВН. ФИЛЬТР. И ТРУБЫ
6
8
7
5
4
3
2
1
10
10
9
11
12
13
14
15
16
17
18
19
20
21
22
23
24
25
13
FIT
1:1
100%

Артикул

Название

Примечание

Количество

1

6245-71-6111

Head, PRE-Filter

SN: 610911-611283

1шт.

|$1

600-311-4500

Filter Assembly, (1-1/4)

SN: 610911-611283

2шт.

2

Cartridge, (1-1/4)

SN: 610911-611283

1шт.

3

600-311-3220

Cap

SN: 610911-611283

1шт.

4

600-311-3230

Seal

SN: 610911-611283

1шт.

5

01010-81290

Bolt

SN: 610911-611283

2шт.

6

01643-31232

Washer

SN: 610911-611283

2шт.

7

01011-81255

Bolt

SN: 610911-611283

1шт.

8

01643-31232

Washer

SN: 610911-611283

1шт.

9

6245-71-6420

Bracket

SN: 610911-611283

1шт.

10

01435-01055

Bolt

SN: 610911-611283

3шт.

11

6245-71-6190

Bracket

SN: 610911-611283

1шт.

12

01435-01060

Bolt

SN: 610911-611283

1шт.

13

01436-01000

Bolt

SN: 610911-611283

2шт.

14

6245-71-5470

Hose

SN: 610911-611283

1шт.

15

6245-71-6150

Union

SN: 610911-611283

1шт.

16

02896-11012

O-ring

SN: 610911-611283

1шт.

17

07002-12434

O-ring

SN: 610911-611283

1шт.

18

02782-10628

Elbow

SN: 610911-611283

1шт.

19

07002-12434

O-ring

SN: 610911-611283

1шт.

20

07040-12412

Plug

SN: 610911-611283

2шт.

21

07002-12434

O-ring

SN: 610911-611283

2шт.

22

6245-81-9420

Plate

SN: 610911-611283

1шт.

23

07270-40811

Tube

SN: 610911-611283

2шт.

24

07285-00125

Clip

SN: 610911-611283

2шт.

25

08034-20536

Band

SN: 610911-611283

2шт.

Выбрано товаров: 26