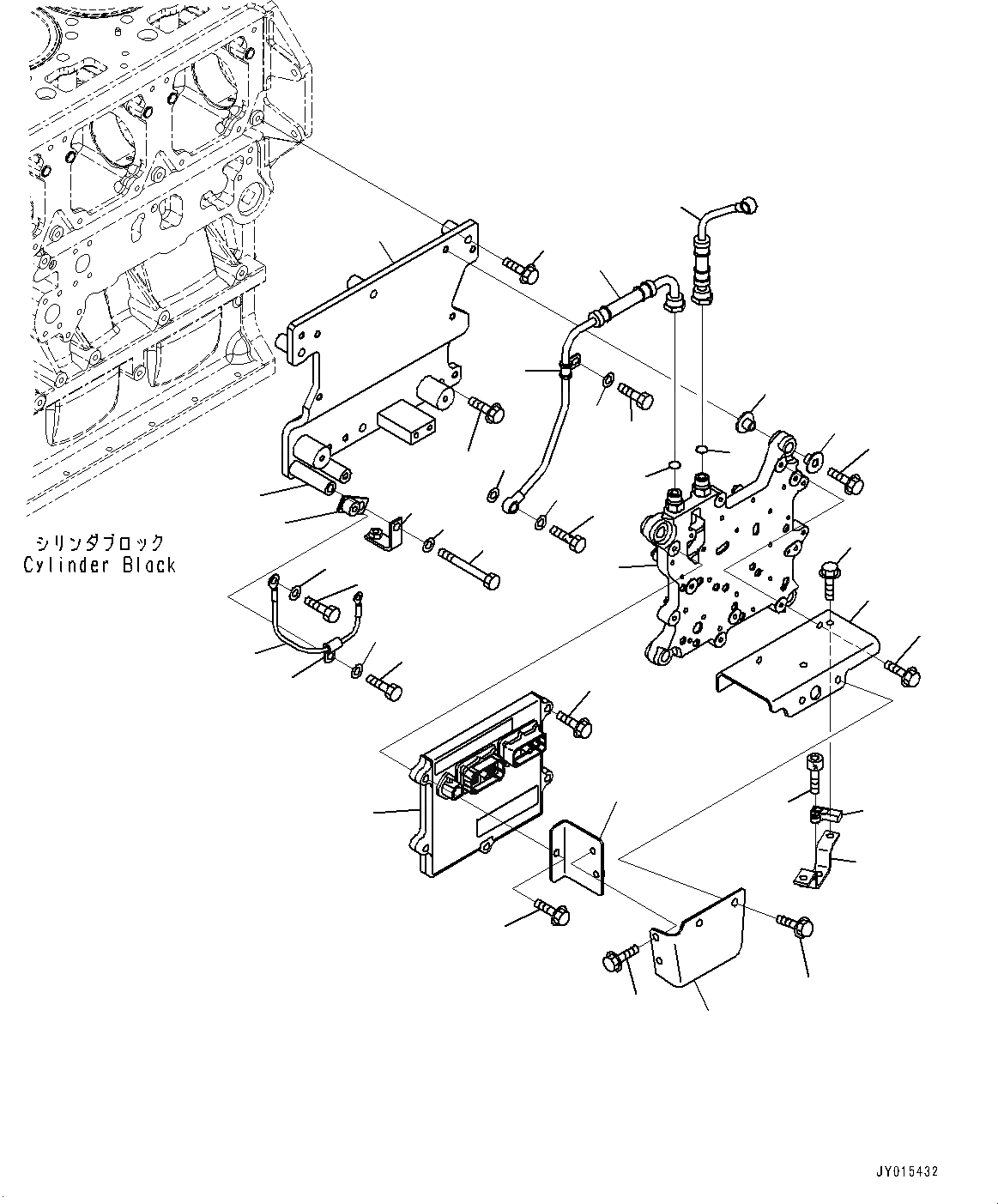
Запчасти Komatsu SAA6D170E-5CR ТОПЛИВН. ВПРЫСК КОНТРОЛЛЕР (№8-) ТОПЛИВН. ВПРЫСК КОНТРОЛЛЕР

Схема запчастей Komatsu SAA6D170E-5CR - ТОПЛИВН. ВПРЫСК КОНТРОЛЛЕР (№8-) ТОПЛИВН. ВПРЫСК КОНТРОЛЛЕР
3
6
6
5
17
18
19
20
21
22
14
15
23
24
25
26
27
34
35
36
32
33
33
30
31
28
29
37
16
1
2
8
11
7
12
13
5
4
9
10
10
FIT
1:1
100%

Артикул

Название

Примечание

Количество

1

600-463-7100

Controller Assembly

SN: 611284-UP

1шт.

2

01435-00840

Bolt

SN: 611284-UP

4шт.

3

6261-81-7100

Cooler

SN: 611284-UP

1шт.

3

6261-81-7120

Cover

SN: 611284-UP

1шт.

3

6261-81-7110

Case

SN: 611284-UP

1шт.

3

6261-81-7130

O-ring

SN: 611284-UP

1шт.

3

01435-00825

Bolt

SN: 611284-UP

21шт.

3

02781-00420

Union

SN: 611284-UP

2шт.

3

07002-11823

O-ring

SN: 611284-UP

2шт.

4

01435-01045

Bolt

SN: 611284-UP

4шт.

5

6251-81-7210

Cushion

SN: 611284-UP

8шт.

6

02896-11012

O-ring

SN: 611284-UP

2шт.

7

6245-71-5290

Hose

SN: 611284-UP

1шт.

8

6245-71-5310

Hose

SN: 611284-UP

1шт.

9

07206-31014

Bolt, Joint

SN: 611284-UP

1шт.

10

07005-01412

Seal, Washer

SN: 611284-UP

2шт.

11

6933-71-8220

Clip

SN: 611284-UP

1шт.

12

01010-81020

Bolt

SN: 611284-UP

1шт.

13

01643-31032

Washer

SN: 611284-UP

1шт.

14

6245-21-6120

Bracket

SN: 611284-UP

1шт.

15

01435-01060

Bolt

SN: 611284-UP

3шт.

16

01435-01025

Bolt

SN: 611284-UP

1шт.

17

6245-81-5820

Wire

SN: 611284-UP

1шт.

18

01010-81020

Bolt

SN: 611284-UP

1шт.

19

01643-31032

Washer

SN: 611284-UP

1шт.

20

600-051-2080

Clip

SN: 611284-UP

1шт.

21

01010-81020

Bolt

SN: 611284-UP

1шт.

22

01643-31032

Washer

SN: 611284-UP

1шт.

23

426-06-11570

Bracket

SN: 611284-UP

1шт.

24

01011-81015

Bolt

SN: 611284-UP

1шт.

25

01643-31032

Washer

SN: 611284-UP

1шт.

26

6934-71-5860

Bracket

SN: 611284-UP

1шт.

27

6130-12-4571

Spacer

SN: 611284-UP

1шт.

28

6245-81-9350

Cover

SN: 611284-UP

1шт.

29

01435-00820

Bolt

SN: 611284-UP

2шт.

30

6245-81-9360

Bracket

SN: 611284-UP

1шт.

31

01435-00845

Bolt

SN: 611284-UP

1шт.

32

6245-81-9380

Cover

SN: 611284-UP

1шт.

33

01435-00820

Bolt

SN: 611284-UP

4шт.

34

6261-81-2600

Sensor

SN: 611284-UP

1шт.

35

01252-60520

Bolt, Hexagon Socket Head

SN: 611284-UP

1шт.

36

6245-81-9210

Bracket

SN: 611284-UP

1шт.

37

01435-00820

Bolt

SN: 611284-UP

2шт.

Выбрано товаров: 43