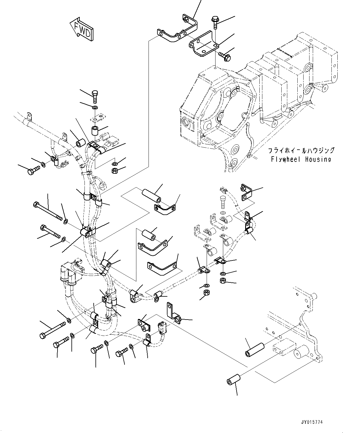
Запчасти Komatsu SAA6D170E-5CR КАБЕЛЬ СУППОРТ, ДВИГАТЕЛЬ ПРОВОДКА (/) (№8-) КАБЕЛЬ СУППОРТ

Схема запчастей Komatsu SAA6D170E-5CR - КАБЕЛЬ СУППОРТ, ДВИГАТЕЛЬ ПРОВОДКА (/) (№8-) КАБЕЛЬ СУППОРТ
1
2
3
4
5
6
7
8
9
10
11
12
13
14
15
16
17
18
19
20
21
22
23
24
25
26
27
28
29
30
31
32
33
34
35
36
37
38
39
40
41
42
43
44
45
46
47
48
49
50
19
21
22
23
24
51
52
53
54
55
56
FIT
1:1
100%

Артикул

Название

Примечание

Количество

1

600-051-2160

Clip

SN: 611284-UP

1шт.

2

6245-81-5470

Clip

SN: 611465-UP

1шт.

2

04435-51010

Clip

SN: 611284-611464

1шт.

3

01010-81070

Bolt

SN: 611284-UP

1шт.

4

01643-31032

Washer

SN: 611284-UP

1шт.

5

6152-21-6590

Spacer

SN: 611284-UP

1шт.

6

600-051-2100

Clip

SN: 611284-UP

1шт.

7

01010-81020

Bolt

SN: 611284-UP

1шт.

8

01643-31032

Washer

SN: 611284-UP

1шт.

9

6245-81-9220

Bracket

SN: 611284-UP

1шт.

10

426-06-11570

Bracket

SN: 611284-UP

1шт.

11

01010-81025

Bolt

SN: 611284-UP

1шт.

12

01643-31032

Washer

SN: 611284-UP

1шт.

13

600-051-2160

Clip

SN: 611284-UP

1шт.

14

6245-81-5470

Clip

SN: 611465-UP

1шт.

14

04435-51010

Clip

SN: 611284-611464

1шт.

15

01011-81025

Bolt

SN: 611284-UP

1шт.

16

01643-31032

Washer

SN: 611284-UP

1шт.

17

6130-12-4571

Spacer

SN: 611284-UP

1шт.

18

6128-21-6730

Spacer

SN: 611284-UP

1шт.

19

600-051-2100

Clip

SN: 611284-UP

2шт.

20

17M-911-1220

Plate

SN: 611284-UP

1шт.

21

600-051-2100

Clip

SN: 611284-UP

2шт.

22

01643-31032

Washer

SN: 611284-UP

2шт.

23

01580-01008

Nut

SN: 611284-UP

2шт.

24

600-051-2100

Clip

SN: 611284-UP

2шт.

25

6934-71-5860

Bracket

SN: 611284-UP

1шт.

26

600-051-2160

Clip

SN: 611284-UP

1шт.

27

6245-81-5470

Clip

SN: 611465-UP

1шт.

27

04435-51010

Clip

SN: 611284-611464

1шт.

28

01011-81000

Bolt

SN: 611284-UP

1шт.

29

01643-31032

Washer

SN: 611284-UP

1шт.

30

6152-21-6590

Spacer

SN: 611284-UP

1шт.

31

6128-21-6730

Spacer

SN: 611284-UP

1шт.

32

17M-911-1220

Plate

SN: 611284-UP

1шт.

33

600-051-2160

Clip

SN: 611284-UP

1шт.

34

6245-81-5470

Clip

SN: 611465-UP

1шт.

34

04435-51010

Clip

SN: 611284-611464

1шт.

35

01011-81030

Bolt

SN: 611284-UP

1шт.

36

01643-31032

Washer

SN: 611284-UP

1шт.

37

6130-12-4571

Spacer

SN: 611284-UP

1шт.

38

6128-21-6730

Spacer

SN: 611284-UP

1шт.

39

6934-71-5860

Bracket

SN: 611284-UP

1шт.

40

600-051-2160

Clip

SN: 611284-UP

1шт.

41

6245-81-5470

Clip

SN: 611465-UP

1шт.

41

04435-51010

Clip

SN: 611284-611464

1шт.

42

6245-81-5210

Bracket

SN: 611284-UP

1шт.

43

01435-01020

Bolt

SN: 611284-UP

2шт.

44

6245-81-5190

Bracket

SN: 611284-UP

1шт.

45

01435-01020

Bolt

SN: 611284-UP

2шт.

46

600-051-2060

Clip

SN: 611284-UP

1шт.

47

01010-81045

Bolt

SN: 611284-UP

1шт.

48

01643-31032

Washer

SN: 611284-UP

1шт.

49

6128-21-6730

Spacer

SN: 611284-UP

1шт.

50

600-051-2060

Clip

SN: 611284-UP

1шт.

51

6245-81-5470

Clip

SN: 611465-UP

1шт.

51

04435-51010

Clip

SN: 611284-611464

1шт.

52

01010-81050

Bolt

SN: 611284-UP

1шт.

53

01643-31032

Washer

SN: 611284-UP

1шт.

54

6128-21-6730

Spacer

SN: 611284-UP

1шт.

55

01643-31032

Washer

SN: 611284-UP

1шт.

56

01580-01008

Nut

SN: 611284-UP

1шт.

Выбрано товаров: 62