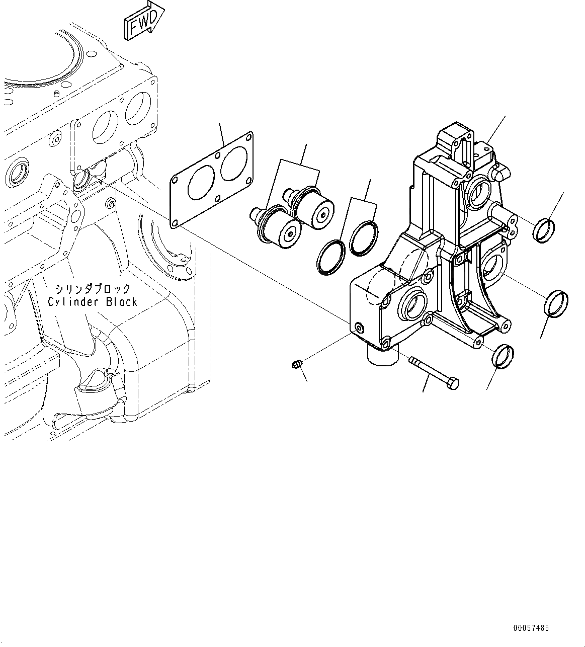
Запчасти Komatsu SAA6D170E-5CR ТЕРМОСТАТ И ТЕРМОСТАТ (№9-) ТЕРМОСТАТ И ТЕРМОСТАТ

Схема запчастей Komatsu SAA6D170E-5CR - ТЕРМОСТАТ И ТЕРМОСТАТ (№9-) ТЕРМОСТАТ И ТЕРМОСТАТ
1
5
2
4
6
7
3
2
8
FIT
1:1
100%

Артикул

Название

Примечание

Количество

|$0

6245-11-6401

Housing Assembly

SN: 610911-UP

1шт.

1

Housing, Thermostat

SN: 610911-UP

1шт.

2

07046-44516

Plug

SN: 610911-UP

2шт.

3

07046-45016

Plug

SN: 610911-UP

1шт.

4

6240-11-6470

Gasket

SN: 610911-UP

1шт.

5

01010-81095

Bolt

SN: 610911-UP

6шт.

6

600-421-6630

Thermostat

SN: 610911-UP

2шт.

7

6162-13-6440

Seal, Oil, Thermostat

SN: 610911-UP

2шт.

8

07042-A0108

Plug

SN: 610911-UP

1шт.

Выбрано товаров: 9