Запчасти Komatsu SAA6D170E-5CR-W ВОЗДУХООЧИСТИТЕЛЬ И ИНДИКАТОР ТРУБЫ ДВИГАТЕЛЬ

Схема запчастей Komatsu SAA6D170E-5CR-W - ВОЗДУХООЧИСТИТЕЛЬ И ИНДИКАТОР ТРУБЫ ДВИГАТЕЛЬ
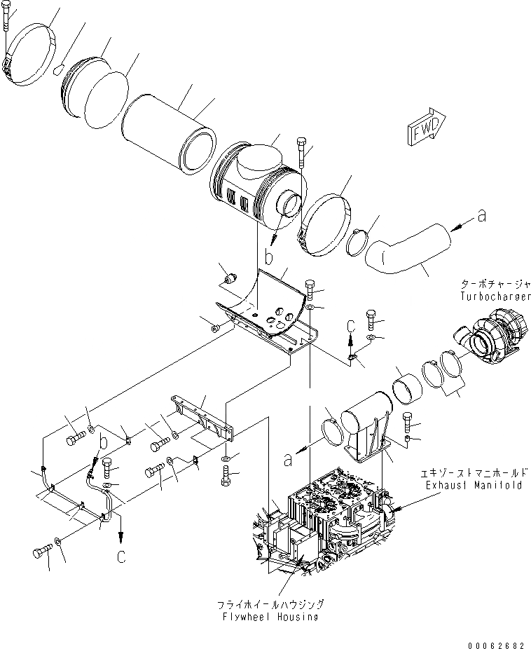
1
2
3
4
5
6
7
7
8
8
9
10
11
12
13
14
15
16
16A
17
18
19
20
21
22
23
24
25
26
27
28
28
29
30
31
32
33
34
34
35
35
36
36
36
36
37
FIT
1:1
100%

Артикул

Название

Примечание

Количество

|$2

6240-81-7701

AIR CLEANER ASS'Y

SN: 610001-UP

1шт.

1

6240-81-7710

BODY,AIR CLEANER

SN: 610001-UP

1шт.

|$4

600-185-6100

ELEMENT ASS'Y

SN: 610001-UP

1шт.

2

600-184-1671

O-RING

SN: 610001-UP

1шт.

3

0

ELEMENT,OUTER

SN: 610001-UP

1шт.

4

0

ELEMENT,INNER

SN: 610001-UP

1шт.

5

600-184-1632

COVER

SN: 610001-UP

1шт.

6

600-184-2810

PLATE,MARK

SN: 610001-UP

1шт.

7

6240-11-9910

BAND

SN: 610001-UP

2шт.

8

6643-11-4641

BOLT

SN: 610001-UP

2шт.

9

6245-11-8710

BRACKET

SN: 610001-UP

1шт.

10

01010-81230

BOLT

SN: 610001-UP

5шт.

11

01643-31232

WASHER

SN: 610001-UP

5шт.

12

01010-81235

BOLT

SN: 610001-UP

1шт.

13

01643-31232

WASHER

SN: 610001-UP

1шт.

14

426-06-11570

BRACKET

SN: 610001-UP

1шт.

15

6245-11-8720

BRACKET

SN: 610001-UP

1шт.

16

01010-81230

BOLT

SN: 610001-UP

4шт.

16A

01643-31232

WASHER

SN: 610001-UP

4шт.

17

01010-81240

BOLT

SN: 610001-UP

5шт.

18

01643-31232

WASHER

SN: 610001-UP

5шт.

19

01010-81235

BOLT

SN: 610001-UP

2шт.

20

01643-31232

WASHER

SN: 610001-UP

2шт.

21

426-01-11310

BRACKET

SN: 610001-UP

2шт.

22

6245-11-7540

HOSE

SN: 610001-UP

1шт.

23

208-01-72180

CLAMP

SN: 610189-UP

2шт.

23

07289-00170

CLAMP

SN: 610001-610188

2шт.

24

6245-11-7510

TUBE,SUPPORT

SN: 610001-UP

1шт.

25

01010-E1270

BOLT

SN: 610001-UP

4шт.

26

6144-81-6680

SPACER

SN: 610001-UP

4шт.

27

6245-11-8731

HOSE

SN: 610189-UP

1шт.

27

6245-11-8730

HOSE

SN: 610001-610188

1шт.

28

208-01-72180

CLAMP

SN: 610189-UP

2шт.

28

07289-00170

CLAMP

SN: 610001-610188

2шт.

29

08672-01000

INDICATOR,DUST

SN: 610001-UP

1шт.

30

08671-70140

HOSE

SN: 610001-UP

1шт.

31

01010-81020

BOLT

SN: 610001-UP

1шт.

32

01643-31032

WASHER

SN: 610001-UP

1шт.

33

426-01-11310

BRACKET

SN: 610001-UP

1шт.

34

01010-81020

BOLT

SN: 610001-UP

4шт.

35

01643-31032

WASHER

SN: 610001-UP

4шт.

36

04434-51410

CLIP

SN: 610001-UP

4шт.

37

02720-20204

PLUG

SN: 610001-UP

1шт.

Выбрано товаров: 43