Запчасти Komatsu SAA6D95LE-1A-S БЛОК ЦИЛИНДРОВ(№9-) ДВИГАТЕЛЬ

Схема запчастей Komatsu SAA6D95LE-1A-S - БЛОК ЦИЛИНДРОВ(№9-) ДВИГАТЕЛЬ
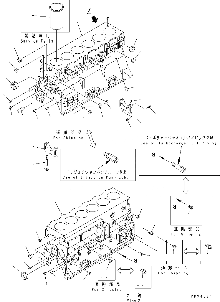
1
1
2
3
4
5
6
7
8
8
9
9
9
9
10
11
11
11
12
13
14
15
16
17
17
18
18
18
18
18
19
20
21
22
23
24
25
26
27
FIT
1:1
100%

Артикул

Название

Примечание

Количество

|1

6209-21-1200

CYLINDER BLOCK ASS'Y

SN: 150915-160615

1шт.

1

0

BLOCK,CYLINDER

SN: 150915-160615

1шт.

2

0

CAP,MAIN METAL¤ NO.1¤2¤3¤4¤5¤6

SN: 150915-160615

6шт.

3

0

CAP,MAIN METAL¤ NO.7

SN: 150915-160615

1шт.

4

6204-21-1610

BOLT,MAIN CAP

SN: 150915-160615

14шт.

5

6141-21-1530

RING,DOWEL

SN: 150915-160615

2шт.

6

6206-21-1430

BUSHING,CAMSHAFT

SN: 150915-160615

1шт.

7

6206-21-1420

BUSHING,CAMSHAFT

SN: 150915-160615

3шт.

8

07046-42516

PLUG

SN: 150915-160615

7шт.

9

07046-43016

PLUG

SN: 150915-160615

9шт.

10

07046-42216

PLUG

SN: 150915-160615

1шт.

11

04025-00408

PIN,SPRING

SN: 150915-160615

6шт.

12

6204-51-1711

BUSHING,OIL PUMP

SN: 150915-160615

1шт.

13

6136-52-1620

PIN,DOWEL¤ OIL PUMP

SN: 150915-160615

1шт.

14

6140-21-1130

BUSHING

SN: 150915-160615

2шт.

15

04020-00820

PIN,DOWEL

SN: 150915-160615

2шт.

16

04020-01228

PIN,DOWEL

SN: 150915-160615

2шт.

17

07046-41810

PLUG

SN: 150915-160615

4шт.

18

07043-50108

PLUG

SN: 150915-160615

6шт.

19

6207-21-1180

PIN

SN: 150915-160615

6шт.

20

07042-10312

PLUG

SN: 150915-160615

1шт.

21

07046-44016

PLUG

SN: 150915-160615

1шт.

22

07043-50211

PLUG,(FOR SHIPPING)

SN: 150915-160615

1шт.

23

6209-51-1620

SHAFT,OIL PUMP

SN: 150915-160615

1шт.

24

07046-23016

PLUG

SN: 150915-160615

1шт.

25

6207-21-2110

LINER (MARK A),CYLINDER

SN: 150915-160615

-2шт.

|25

6207-21-2120

LINER (MARK B),CYLINDER

SN: 150915-160615

-2шт.

26

08073-10505

SWITCH,OIL PRESSURE

SN: 150915-160615

1шт.

27

08073-10515

SWITCH,OIL PRESSURE

SN: 150915-160615

1шт.

Выбрано товаров: 29