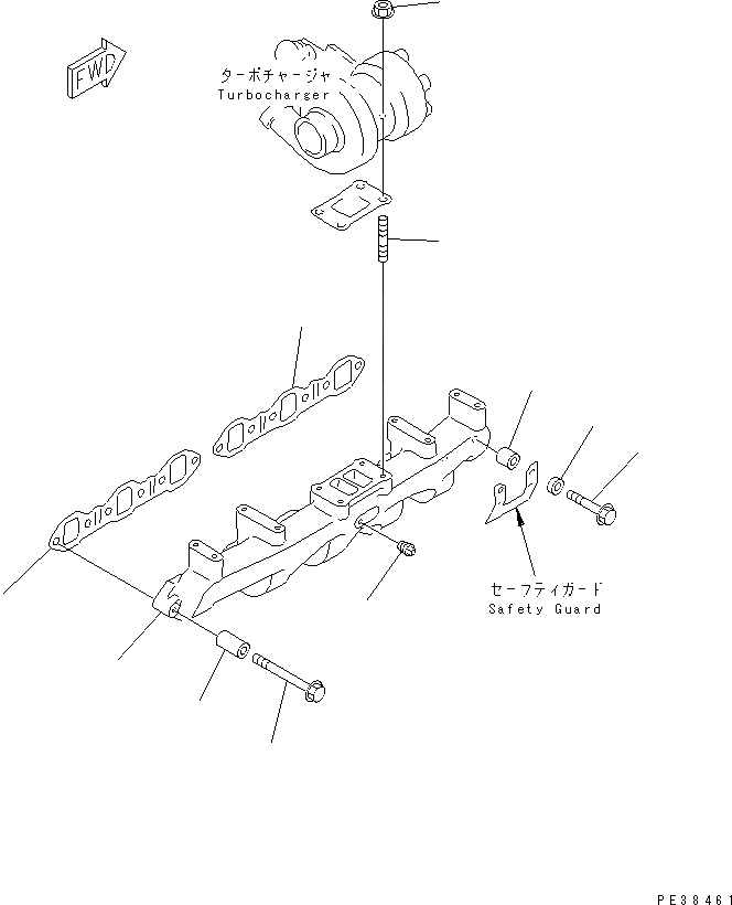
Запчасти Komatsu SAA6D95LE-1C-LT ВЫПУСКНОЙ КОЛЛЕКТОР(№87-798) ДВИГАТЕЛЬ

Схема запчастей Komatsu SAA6D95LE-1C-LT - ВЫПУСКНОЙ КОЛЛЕКТОР(№87-798) ДВИГАТЕЛЬ
1
2
2
3
4
5
6
7
8
9
10
FIT
1:1
100%

Артикул

Название

Примечание

Количество

1

6207-11-5170

MANIFOLD,EXHAUST

SN: 165687-167981

1шт.

2

6207-11-5810

GASKET (K1)

SN: 165687-@

2шт.

3

6134-11-5120

SPACER

SN: 165687-@

10шт.

4

01435-01090

BOLT

SN: 165687-@

10шт.

5

6134-12-5120

SPACER

SN: 165687-@

2шт.

6

01435-01085

BOLT

SN: 165687-@

2шт.

7

6132-21-4630

SPACER

SN: 165687-@

2шт.

8

07042-20108

PLUG

SN: 165687-@

1шт.

9

01140-61025

STUD

SN: 165687-@

4шт.

10

6142-12-5850

NUT

SN: 165687-@

4шт.

Выбрано товаров: 10