Запчасти Komatsu SDA12V140-1B ЭЛЕКТР. ЭЛЕКТРОПРОВОДКА(№797-) ДВИГАТЕЛЬ

Схема запчастей Komatsu SDA12V140-1B - ЭЛЕКТР. ЭЛЕКТРОПРОВОДКА(№797-) ДВИГАТЕЛЬ
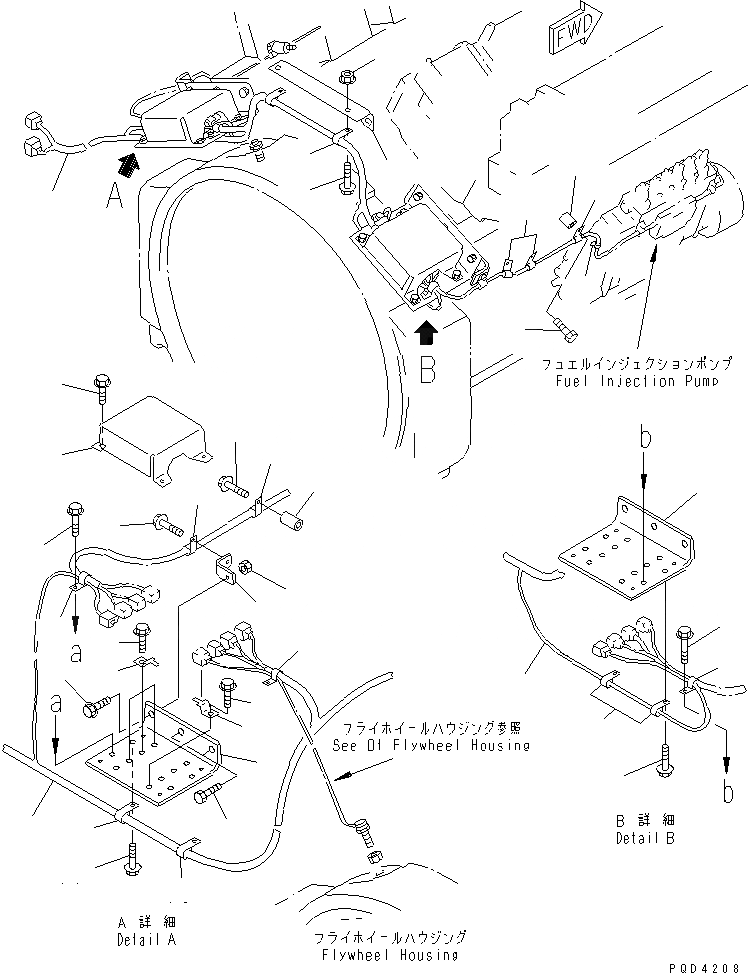
1
1
1
2
2
3
4
5
6
7
8
9
10
11
11
12
12
13
13
13
14
14
15
16
16
17
17
18
19
20
21
22
22
23
23
24
24
25
26
FIT
1:1
100%

Артикул

Название

Примечание

Количество

1

6215-81-6510

WIRING HARNESS

SN: 11797-12040

1шт.

2

6215-81-6411

BRACKET

SN: 11797-12040

2шт.

3

6127-11-4421

PLATE

SN: 11797-12040

2шт.

4

01435-01025

BOLT

SN: 11797-12040

2шт.

5

01584-01008

NUT

SN: 11797-12040

2шт.

6

01010-81225

BOLT

SN: 11797-12040

4шт.

7

6215-81-6520

BRACKET

SN: 11797-12040

1шт.

8

600-050-2620

CLIP

SN: 11797-12040

2шт.

9

01435-01016

BOLT

SN: 11797-12040

2шт.

10

01580-01008

NUT

SN: 11797-12040

2шт.

11

08053-01512

CLIP

SN: 11797-12040

8шт.

12

01435-01016

BOLT

SN: 11797-12040

8шт.

13

600-050-2420

CLIP

SN: 11797-12040

4шт.

14

01435-01016

BOLT

SN: 11797-12040

4шт.

15

08036-10614

CLIP

SN: 11797-12040

2шт.

16

08036-02514

CLIP

SN: 11797-12040

2шт.

17

01435-01016

BOLT

SN: 11797-12040

4шт.

18

6215-81-6431

COVER

SN: 11797-12040

2шт.

19

01435-00816

BOLT

SN: 11797-12040

8шт.

20

600-050-2220

CLAMP

SN: 11797-12040

2шт.

21

01435-01016

BOLT

SN: 11797-12040

2шт.

22

600-050-2220

CLAMP

SN: 11797-12040

2шт.

23

206-01-44320

SPACER

SN: 11797-12040

2шт.

24

01435-01060

BOLT

SN: 11797-12040

2шт.

25

600-050-2220

CLAMP

SN: 11797-12040

3шт.

26

08034-00519

BAND

SN: 11797-12040

4шт.

Выбрано товаров: 26