Запчасти Komatsu SDA12V140-1B ГЛУШИТЕЛЬ (КРОМЕ ЯПОН.) ДВИГАТЕЛЬ

Схема запчастей Komatsu SDA12V140-1B - ГЛУШИТЕЛЬ (КРОМЕ ЯПОН.) ДВИГАТЕЛЬ
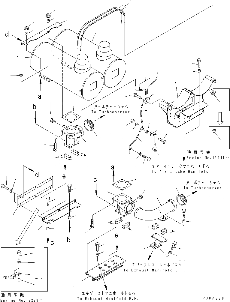
1
1
2
2
3
4
5
6
7
8
8
9
10
10
11
11
12
12
13
14
15
15
16
16
16
16
17
18
18
19
19
19
20
20
21
22
22
23
23
24
25
26
27
28
29
30
31
32
33
34
35
36
37
38
39
40
41
42
43
44
45
46
47
48
FIT
1:1
100%

Артикул

Название

Примечание

Количество

1

6215-11-7320

MUFFLER

SN: 12224-UP

2шт.

|1

0

MUFFLER

SN: 11797-12223

2шт.

2

6211-11-5890

GASKET (K1)

SN: 11797-UP

2шт.

3

6110-23-6490

SPACER

SN: 11797-UP

1шт.

4

01010-E1060

BOLT

SN: 11797-UP

6шт.

5

01010-E1065

BOLT

SN: 11797-UP

2шт.

6

6631-11-5630

SPACER

SN: 11797-UP

6шт.

7

6131-12-5920

SPACER

SN: 11797-UP

2шт.

8

01580-01008

NUT

SN: 11797-UP

8шт.

9

6215-11-5220

BAND

SN: 11797-UP

2шт.

10

6215-11-5740

NUT

SN: 12041-UP

4шт.

|10

0

NUT

SN: 11797-12040

4шт.

11

6215-11-5871

ELBOW,EXHAUST

SN: 11797-UP

2шт.

12

6215-11-5280

CONNECTOR

SN: 11797-UP

2шт.

13

6215-11-5291

CONNECTOR

SN: 11797-UP

1шт.

14

6215-11-5881

BRACKET

SN: 11797-UP

1шт.

15

6215-11-5980

SHIM¤ 0.5MM (K1)

SN: 11797-UP

-2шт.

|15

6215-11-5990

SHIM¤ 1.0MM (K1)

SN: 11797-UP

-2шт.

16

6215-11-5760

SHIM¤ 0.5MM (K1)

SN: 11797-UP

-2шт.

|16

6215-11-5770

SHIM¤ 1.0MM (K1)

SN: 11797-UP

-2шт.

17

01010-E1045

BOLT

SN: 11797-UP

6шт.

18

01010-E1060

BOLT

SN: 12298-UP

6шт.

|18

01010-E1060

BOLT

SN: 11797-12297

8шт.

19

6631-11-5630

SPACER

SN: 11797-UP

14шт.

20

6215-11-5920

PLUG

SN: 11797-UP

4шт.

21

6215-11-5652

BRACKET

SN: 11797-UP

1шт.

22

01010-E1045

BOLT

SN: 11797-UP

8шт.

23

6631-11-5630

SPACER

SN: 11797-UP

8шт.

24

6215-61-6580

BRACKET

SN: 12298-UP

1шт.

25

01011-E1005

BOLT

SN: 12298-UP

2шт.

26

01643-31032

WASHER

SN: 12298-UP

2шт.

27

203-54-11170

SPACER

SN: 12298-UP

2шт.

28

6215-11-5910

BRACKET

SN: 11797-UP

1шт.

29

01010-81045

BOLT

SN: 11797-UP

6шт.

30

6631-11-5630

SPACER

SN: 11797-UP

6шт.

31

6215-11-4270

TUBE

SN: 11797-UP

2шт.

32

6215-11-4281

TUBE

SN: 12094-UP

1шт.

|32

0

TUBE

SN: 11797-12093

1шт.

33

6215-11-5930

TUBE

SN: 11797-UP

1шт.

34

6215-11-5940

ADAPTER

SN: 11797-UP

1шт.

35

01010-81060

BOLT

SN: 11797-UP

2шт.

36

175-79-83760

SPACER

SN: 12094-UP

1шт.

|36

6151-61-3781

SPACER

SN: 11797-12093

1шт.

37

01010-81035

BOLT

SN: 11797-UP

1шт.

38

01580-01008

NUT

SN: 11797-UP

1шт.

39

01642-01016

WASHER

SN: 11797-UP

1шт.

40

6150-65-7440

STAY

SN: 11797-UP

1шт.

41

01435-00820

BOLT

SN: 11797-UP

1шт.

42

01010-81020

BOLT

SN: 11797-UP

1шт.

43

01642-01016

WASHER

SN: 11797-UP

1шт.

44

6215-11-5311

BRACKET

SN: 11797-UP

1шт.

45

6215-11-5321

BRACKET

SN: 11797-UP

1шт.

46

6211-11-9590

WASHER

SN: 11797-UP

6шт.

47

01010-81025

BOLT

SN: 11797-UP

6шт.

48

6215-11-5190

COVER

SN: 11797-UP

1шт.

Выбрано товаров: 0