Запчасти Komatsu SDA12V140E-1D-A ВОЗДУШН. ВЕНТИЛЯЦИЯ(№797-) ДВИГАТЕЛЬ

Схема запчастей Komatsu SDA12V140E-1D-A - ВОЗДУШН. ВЕНТИЛЯЦИЯ(№797-) ДВИГАТЕЛЬ
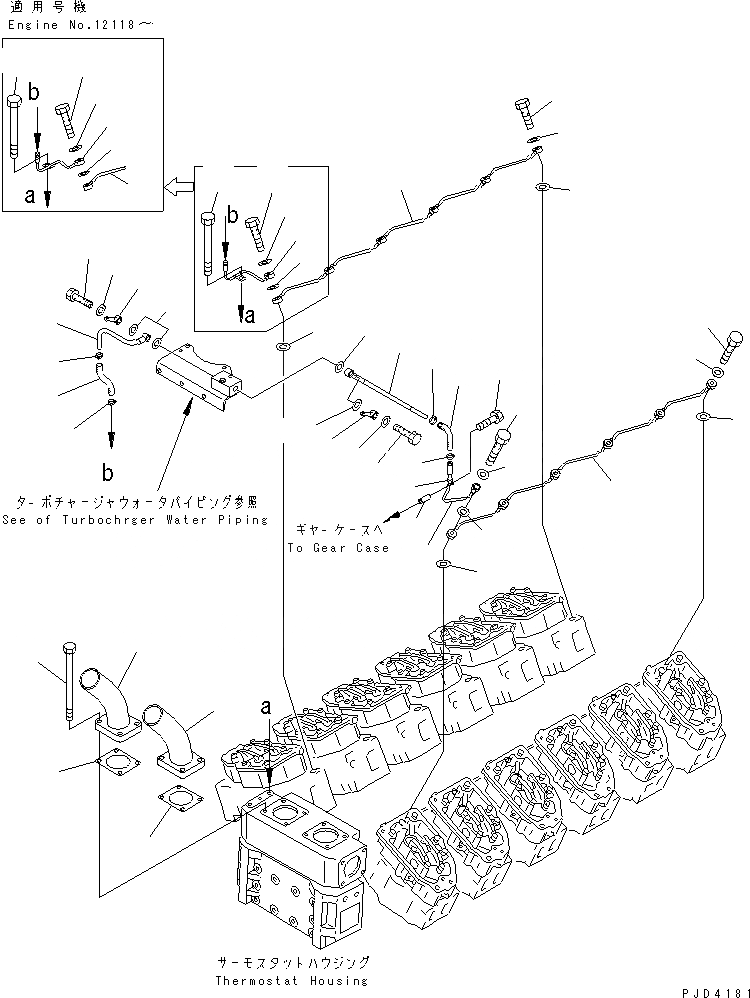
1
1
2
2
3
4
4
5
6
6
7
8
8
9
9
10
10
10
10
10
11
12
13
13
14
15
16
17
18
18
19
19
19
20
20
21
21
21
22
22
22
22
22
22
22
22
22
22
22
22
FIT
1:1
100%

Артикул

Название

Примечание

Количество

1

6215-11-6141

TUBE

SN: 11797-UP

2шт.

2

6215-11-6830

GASKET (K1)

SN: 11797-UP

2шт.

3

01011-81030

BOLT

SN: 11797-UP

8шт.

4

6215-11-6580

TUBE,R.H.

SN: 12118-UP

1шт.

|4

0

TUBE,R.H.

SN: 11797-12117

1шт.

5

07260-20920

HOSE

SN: 11797-UP

1шт.

6

07281-00197

CLAMP

SN: 11797-UP

2шт.

7

6215-61-8440

TUBE

SN: 11797-UP

1шт.

8

6141-71-1710

JOINT

SN: 11797-UP

2шт.

9

6127-71-5710

BOLT,JOINT

SN: 11797-UP

2шт.

10

07005-01412

GASKET

SN: 11797-UP

6шт.

11

6215-61-8140

TUBE,L.H.

SN: 11797-UP

1шт.

12

07260-20910

HOSE

SN: 11797-UP

1шт.

13

07281-00197

CLAMP

SN: 11797-UP

2шт.

14

6215-61-8130

TUBE

SN: 11797-UP

1шт.

15

01010-81065

BOLT

SN: 11797-UP

1шт.

16

6152-51-5520

SPACER

SN: 11797-UP

1шт.

17

04434-50610

CLIP

SN: 11797-UP

1шт.

18

07206-30710

BOLT,JOINT

SN: 11797-UP

10шт.

19

6215-11-6560

BOLT,JOINT

SN: 11797-UP

2шт.

20

01011-81010

BOLT

SN: 11797-UP

1шт.

21

6215-11-6531

TUBE,AIR

SN: 11797-UP

2шт.

22

07003-01015

GASKET (K1)

SN: 11797-UP

26шт.

Выбрано товаров: 23