Запчасти Komatsu SDA12V140E-1D-A ДВИГАТЕЛЬ СУППОРТ И КОРПУС(№797-) ДВИГАТЕЛЬ

Схема запчастей Komatsu SDA12V140E-1D-A - ДВИГАТЕЛЬ СУППОРТ И КОРПУС(№797-) ДВИГАТЕЛЬ
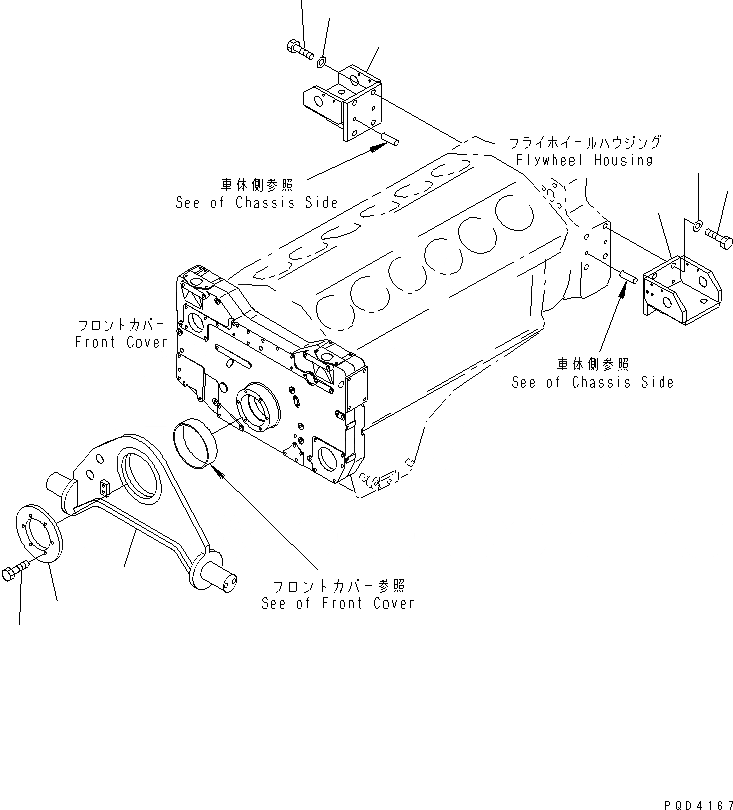
1
2
3
4
4
5
5
6
6
FIT
1:1
100%

Артикул

Название

Примечание

Количество

1

198-01-51111

SUPPORT,FRONT

SN: 11797-UP

1шт.

2

6215-21-3180

PLATE

SN: 11797-UP

1шт.

3

01010-81245

BOLT

SN: 11797-UP

6шт.

4

6215-21-3310

BRACKET,REAR

SN: 11797-UP

2шт.

|4

6215-2L-3310

BRACKET,REAR (FOR SHIPPING)

SN: 11797-UP

2шт.

5

01010-62050

BOLT

SN: 12702-UP

8шт.

|5

0

BOLT

SN: 11797-12701

8шт.

6

01643-32060

WASHER

SN: 11797-UP

8шт.

Выбрано товаров: 8