Запчасти Komatsu SDA12V140E-1D PRELUBE МАСЛ. НАСОС И ДАТЧИК УР-НЯ МАСЛА СИСТЕМА КОМПОНЕНТЫ ДВИГАТЕЛЬ

Схема запчастей Komatsu SDA12V140E-1D - PRELUBE МАСЛ. НАСОС И ДАТЧИК УР-НЯ МАСЛА СИСТЕМА КОМПОНЕНТЫ ДВИГАТЕЛЬ
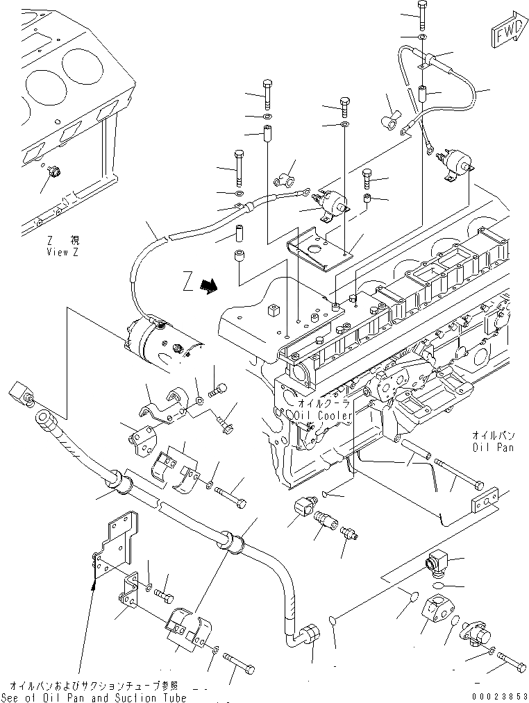
1
2
3
4
4
5
6
7
8
9
10
11
12
13
14
15
16
17
17
18
18
19
19
20
20
21
22
23
24
25
26
27
27
28
28
28
29
29
30
31
31
31
32
33
34
35
36
37
38
39
40
41
42
FIT
1:1
100%

Артикул

Название

Примечание

Количество

1

6215-51-5130

PLATE

SN: 13436-UP

1шт.

2

01010-81075

BOLT

SN: 13436-UP

2шт.

3

01643-31032

WASHER

SN: 13436-UP

2шт.

4

07000-73028

O-RING

SN: 13436-UP

2шт.

5

569-43-84720

ELBOW

SN: 13436-UP

1шт.

6

22X-62-11140

O-RING

SN: 13436-UP

1шт.

7

198-01-61220

HOSE

SN: 13436-UP

1шт.

8

207-62-64740

O-RING

SN: 13436-UP

1шт.

9

198-01-61310

BRACKET

SN: 13436-UP

1шт.

10

01010-81235

BOLT

SN: 13436-UP

2шт.

11

01643-31232

WASHER

SN: 13436-UP

2шт.

12

198-01-61320

BRACKET

SN: 13436-UP

1шт.

13

01435-01030

BOLT

SN: 13436-UP

2шт.

14

198-01-61241

BRACKET

SN: 13436-UP

1шт.

15

01010-81030

BOLT

SN: 13436-UP

2шт.

16

01643-31032

WASHER

SN: 13436-UP

2шт.

17

07094-11024

CLAMP

SN: 13436-UP

4шт.

18

07095-01034

CUSHION

SN: 13436-UP

2шт.

19

01010-81285

BOLT

SN: 13436-UP

4шт.

20

01643-31232

WASHER

SN: 13436-UP

4шт.

21

6215-51-5160

ELBOW

SN: 13436-UP

1шт.

22

07002-22034

O-RING

SN: 13436-UP

1шт.

23

6215-51-3200

VALVE

SN: 13436-UP

1шт.

24

6215-51-5120

NIPPLE

SN: 13436-UP

1шт.

25

198-06-62970

WIRING HARNESS

SN: 13436-UP

1шт.

26

08038-12027

CAP

SN: 13436-UP

1шт.

27

04434-51510

CLIP

SN: 13436-UP

2шт.

28

6112-23-6961

SPACER

SN: 13436-UP

5шт.

29

01010-81070

BOLT

SN: 13436-UP

4шт.

30

01011-81000

BOLT

SN: 13436-UP

1шт.

31

01643-31032

WASHER

SN: 13436-UP

5шт.

32

198-06-62951

WIRING HARNESS

SN: 13436-UP

1шт.

33

08038-12027

CAP

SN: 13436-UP

1шт.

34

08073-00503

SWITCH

SN: 13436-UP

1шт.

35

6215-81-5151

BRACKET

SN: 13436-UP

1шт.

36

600-815-7510

SWITCH,HEATER

SN: 13436-UP

1шт.

37

6631-11-5630

SPACER

SN: 13436-UP

1шт.

38

01010-81040

BOLT

SN: 13436-UP

1шт.

39

01010-80816

BOLT

SN: 13436-UP

2шт.

40

01643-30823

WASHER

SN: 13436-UP

2шт.

41

01011-81075

BOLT

SN: 13436-UP

1шт.

42

6206-81-9870

SPACER

SN: 13436-UP

1шт.

Выбрано товаров: 42