Качественные детали и логистика
Оригинальные и аналоговые запчасти с доставкой по России, Казахстану и Беларуси
©2022 PartSell ООО "Система" ИНН 2463123282 ОГРН 1212400004838
Центральный офис: г. Красноярск, Академика Киренского, д.87, пом.4
Телефон: 8 (800) 777-65-74 Email: zakaz@partsell.ru
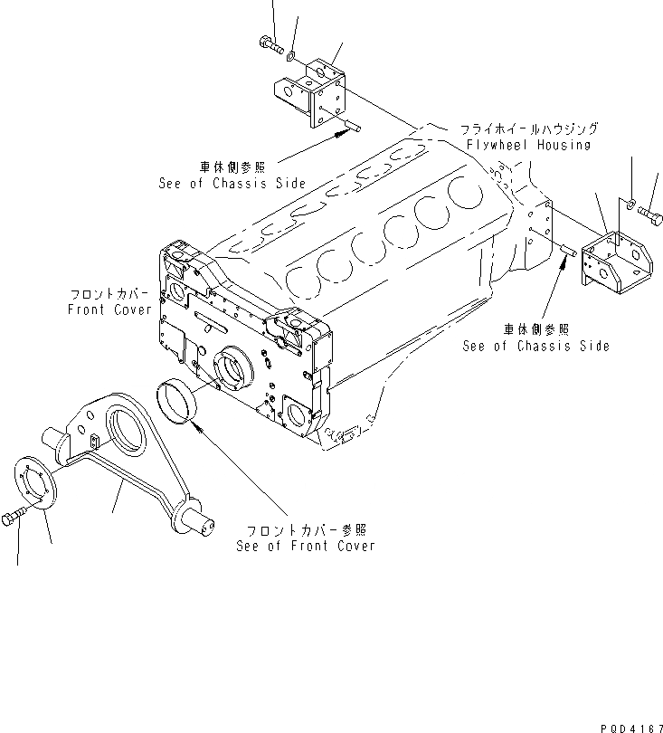
ДВИГАТЕЛЬ СУППОРТ И КОРПУС
№
Артикул
Название
Примечание
Количество
1
198-01-51111
SUPPORT,FRONT
SN: 13436-UP
1шт.
2
6215-21-3180
PLATE
3
01010-81245
BOLT
6шт.
4
6215-2L-3310
BRACKET,REAR (FOR SHIPPING)
2шт.
5
01010-62050
8шт.
6
01643-32060
WASHER
Выбрано товаров: 0