Запчасти Komatsu SDA6D140E-3A-9 ПОСЛЕОХЛАДИТЕЛЬ ВОДН. ГИДРОЛИНИЯ(№78-) ДВИГАТЕЛЬ

Схема запчастей Komatsu SDA6D140E-3A-9 - ПОСЛЕОХЛАДИТЕЛЬ ВОДН. ГИДРОЛИНИЯ(№78-) ДВИГАТЕЛЬ
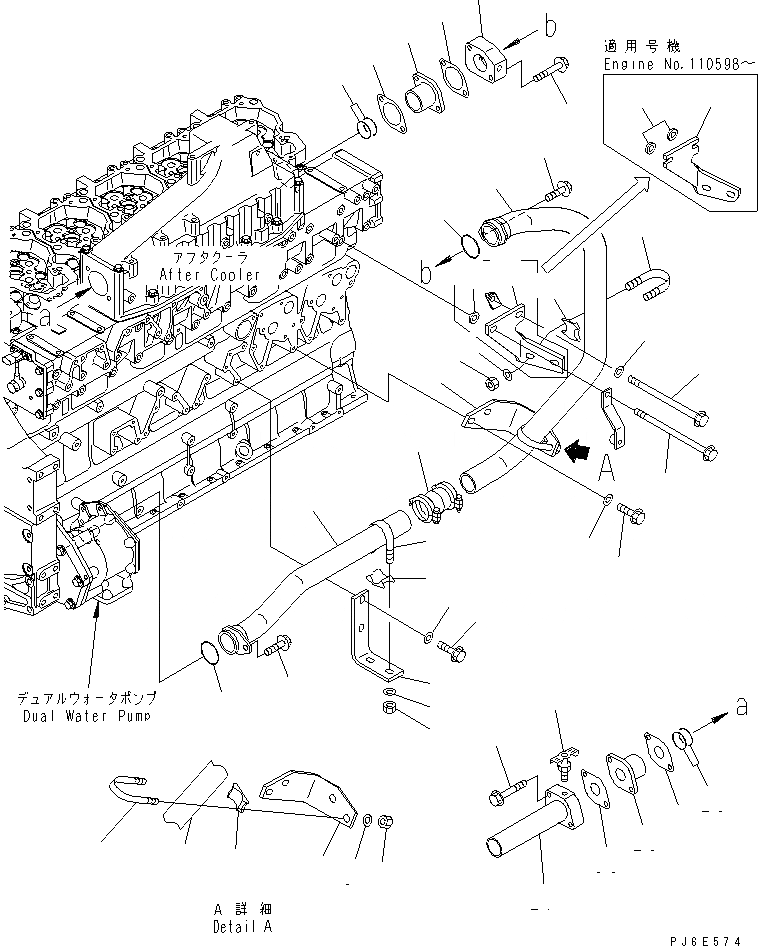
1
2
3
4
5
6
6
6
7
7
7
8
8
8
9
9
9
10
11
11
12
13
14
14
15
15
16
17
18
19
19
20
21
21
22
23
23
24
25
26
27
28
29
30
30
31
32
FIT
1:1
100%

Артикул

Название

Примечание

Количество

1

6218-61-6910

TUBE,INLET

SN: 110578-UP

1шт.

2

07000-G2050

O-RING (K1)

SN: 110578-UP

1шт.

3

6218-61-6940

BRACKET

SN: 110578-UP

1шт.

4

01643-31032

WASHER

SN: 110578-UP

2шт.

5

01435-01025

BOLT

SN: 110578-UP

2шт.

6

07283-54959

SEAT

SN: 110578-UP

3шт.

7

07283-34957

CLIP

SN: 110578-UP

3шт.

8

01597-01009

NUT

SN: 110578-UP

6шт.

9

01643-31032

WASHER

SN: 110578-UP

6шт.

10

07332-01400

COUPLING ASS'Y

SN: 110578-UP

1шт.

11

6218-61-6770

BRACKET

SN: 110578-UP

1шт.

12

01643-31032

WASHER

SN: 110578-UP

2шт.

13

01435-01025

BOLT

SN: 110578-UP

2шт.

14

6218-61-6762

BRACKET

SN: 110598-UP

1шт.

|14

0

BRACKET

SN: 110578-110597

1шт.

15

209-62-11810

SPACER

SN: 110598-UP

2шт.

|15

209-62-11810

SPACER

SN: 110578-110597

1шт.

16

01643-31032

WASHER

SN: 110578-UP

1шт.

17

01436-01085

BOLT

SN: 110578-UP

1шт.

18

01436-01090

BOLT

SN: 110578-UP

1шт.

19

6218-61-6710

TUBE

SN: 110578-UP

1шт.

20

07000-G2050

O-RING (K1)

SN: 110578-UP

1шт.

21

01435-01020

BOLT

SN: 110578-UP

2шт.

22

6218-61-1940

CONNECTOR

SN: 110578-UP

1шт.

23

6217-61-6640

GASKET (K1)

SN: 110578-UP

2шт.

24

01435-01060

BOLT

SN: 110578-UP

2шт.

25

6217-61-6630

CONNECTOR

SN: 110578-UP

1шт.

26

6212-61-6431

O-RING (K1)

SN: 110578-UP

2шт.

27

6218-61-6920

TUBE,OUTLET

SN: 110578-UP

1шт.

28

6217-61-6630

CONNECTOR

SN: 110578-UP

1шт.

29

6212-61-6431

O-RING (K1)

SN: 110578-UP

2шт.

30

6217-61-6640

GASKET (K1)

SN: 110578-UP

2шт.

31

01435-01060

BOLT

SN: 110578-UP

2шт.

32

07062-00000

VALVE

SN: 110578-UP

1шт.

Выбрано товаров: 34