Запчасти Komatsu SL4D130-1C ГЕНЕРАТОР И КРЕПЛЕНИЕ (A) ОХЛАЖД-Е И ЭЛЕКТРИКАS

Схема запчастей Komatsu SL4D130-1C - ГЕНЕРАТОР И КРЕПЛЕНИЕ (A) ОХЛАЖД-Е И ЭЛЕКТРИКАS
FIT
1:1
100%

Артикул

Название

Примечание

Количество

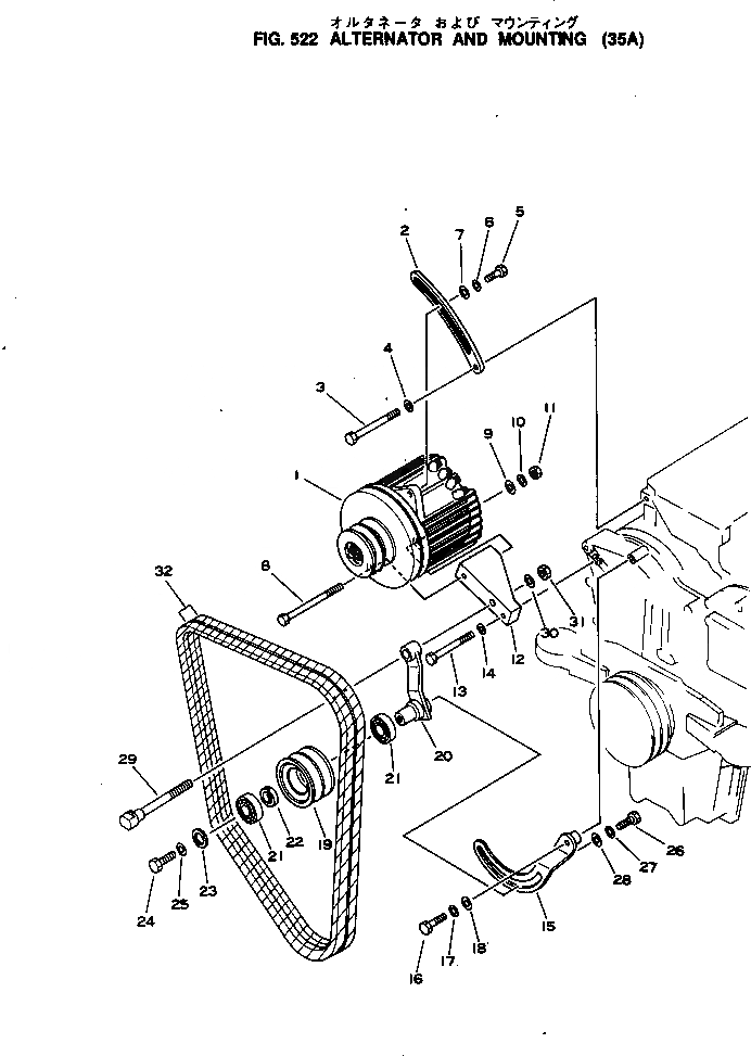
1

600-821-8120

ALTERNATOR A. (35A),(SEE FIG.542)

SN: 24260-UP

1шт.

2

6114-21-6920

PLATE

SN: 24260-UP

1шт.

3

01011-31215

BOLT

SN: 24260-UP

1шт.

4

01602-01236

WASHER

SN: 24260-UP

1шт.

5

01050-31235

BOLT

SN: 24260-UP

1шт.

6

01602-01236

WASHER

SN: 24260-UP

1шт.

7

01643-01232

WASHER

SN: 24260-UP

1шт.

8

6675-24-6321

BOLT

SN: 24260-UP

1шт.

9

01640-01426

WASHER

SN: 24260-UP

1шт.

10

01602-01442

WASHER

SN: 24260-UP

1шт.

11

01580-01411

NUT

SN: 24260-UP

1шт.

12

6115-21-6910

BRACKET

SN: 24260-UP

1шт.

13

01011-31015

BOLT

SN: 24260-UP

1шт.

14

01602-01030

WASHER

SN: 24260-UP

1шт.

15

6115-21-6460

PLATE

SN: 24260-UP

1шт.

16

01011-31000

BOLT

SN: 24260-UP

1шт.

17

01602-01030

WASHER

SN: 24260-UP

1шт.

18

01640-01016

WASHER

SN: 24260-UP

1шт.

|19

6115-61-4100

TENSION PULLEY ASS'Y

SN: 24260-UP

1шт.

19

6115-61-4110

PULLEY

SN: 24260-UP

1шт.

20

6115-61-4120

BRACKET

SN: 24260-UP

1шт.

21

06007-06204

BEARING

SN: 24260-UP

2шт.

22

6115-61-4130

SPACER

SN: 24260-UP

1шт.

23

6115-61-4140

WASHER

SN: 24260-UP

1шт.

24

01010-31022

BOLT

SN: 24260-UP

1шт.

25

01602-01030

WASHER

SN: 24260-UP

1шт.

26

01010-31025

BOLT

SN: 24260-UP

1шт.

27

01602-01236

WASHER

SN: 24260-UP

1шт.

28

01643-01232

WASHER

SN: 24260-UP

1шт.

29

6115-21-6480

BOLT

SN: 24260-UP

1шт.

30

01602-01442

WASHER

SN: 24260-UP

1шт.

31

01580-01411

NUT

SN: 24260-UP

1шт.

32

04121-22266

V-BELT SET

SN: 24260-UP

1шт.

Выбрано товаров: 33