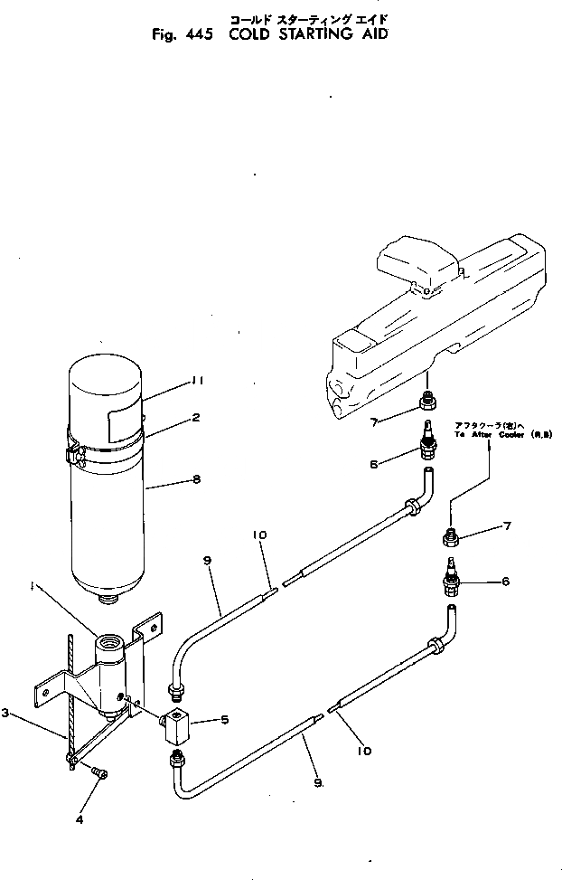
Запчасти Komatsu VT-1710-1 ХОЛОДН. ЗАПУСКING AID ТОПЛИВН. СИСТЕМА

Схема запчастей Komatsu VT-1710-1 - ХОЛОДН. ЗАПУСКING AID ТОПЛИВН. СИСТЕМА
FIT
1:1
100%

Артикул

Название

Примечание

Количество

|1

CU259374

ETHER KIT

SN: 576252-UP

1шт.

1

0

VALVE ASS'Y

SN: 576252-UP

1шт.

2

0

CLAMP ASS'Y

SN: 576252-UP

1шт.

3

CU3302696

CABLE

SN: 576252-UP

1шт.

4

CU3302701

SCREW

SN: 576252-UP

1шт.

5

CU259357

FITTING

SN: 576252-UP

1шт.

6

CU259346

ATOMIZER

SN: 576252-UP

2шт.

7

CUS-970-B

PLUG

SN: 576252-UP

2шт.

8

6710-81-4231

CYLINDER ASS'Y

SN: 576252-UP

1шт.

9

07823-00426

TUBE

SN: 576252-UP

2шт.

10

6715-81-4250

TUBE

SN: 576252-UP

2шт.

11

6715-81-1660

PLATE¤ CAUTION,(SPANISH)

SN: 576252-UP

1шт.

|11

6715-81-1260

PLATE¤ CAUTION,(FRENCH)

SN: 576252-UP

1шт.

|11

6715-81-1560

PLATE¤ CAUTION,(GERMAN)

SN: 576252-UP

1шт.

Выбрано товаров: 14