Запчасти Komatsu VTA-1710-1A ВОДЯНОЙ КОЛЛЕКТОР И СОЕДИН-Е(№77-) ГОЛОВКА ЦИЛИНДРОВ

Схема запчастей Komatsu VTA-1710-1A - ВОДЯНОЙ КОЛЛЕКТОР И СОЕДИН-Е(№77-) ГОЛОВКА ЦИЛИНДРОВ
FIT
1:1
100%

Артикул

Название

Примечание

Количество

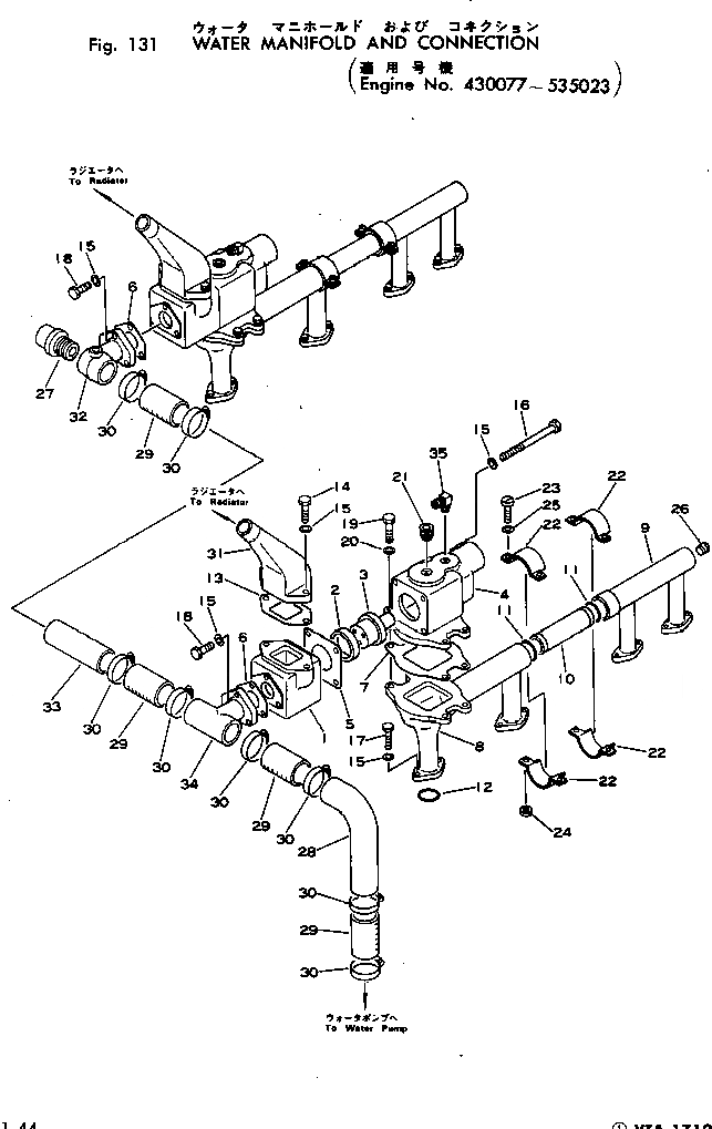
1

CU146079

HOUSING

SN: 430077-535023

2шт.

2

CU186780

SEAL

SN: 430077-@

2шт.

3

CU135675

THERMOSTAT

SN: 430077-504150

2шт.

|3

CU204586

THERMOSTAT

SN: 504151-@

2шт.

4

CU103887

CONNECTION

SN: 430077-535023

1шт.

|4

CU196875

CONNECTION

SN: 430077-535023

1шт.

5

CU102867

GASKET

SN: 430077-535023

2шт.

6

CU64413

GASKET

SN: 430077-535023

2шт.

7

CU102791

GASKET

SN: 430077-535023

2шт.

8

CU170805

MANIFOLD,R.H.

SN: 430077-535023

1шт.

|8

CU170806

MANIFOLD,L.H.

SN: 430077-535023

1шт.

9

CU170807

MANIFOLD,R.H.

SN: 430077-@

1шт.

|9

CU170808

MANIFOLD,L.H.

SN: 430077-@

1шт.

10

CU143396

CONNECTION

SN: 430077-@

2шт.

11

02893-05043

O-RING

SN: 430077-@

4шт.

12

CU193301

O-RING

SN: 430077-@

8шт.

13

CU64502

GASKET

SN: 430077-535023

2шт.

14

02010-20625

BOLT

SN: 430077-535023

4шт.

15

01602-00929

WASHER

SN: 430077-535023

34шт.

16

02010-20664

BOLT

SN: 430077-535023

6шт.

17

6710-61-1160

BOLT

SN: 430077-@

16шт.

18

02010-20632

BOLT

SN: 430077-535023

6шт.

19

02010-20732

BOLT

SN: 430077-535023

8шт.

20

01602-01134

WASHER

SN: 430077-535023

8шт.

21

02720-20810

PLUG

SN: 430077-535023

2шт.

22

CU170810

SHIELD

SN: 430077-@

4шт.

23

CUS-1326

SCREW

SN: 430077-@

8шт.

24

CUS-259

NUT

SN: 430077-@

8шт.

25

02310-00712

WASHER

SN: 430077-@

8шт.

26

02720-21214

PLUG

SN: 430077-535023

3шт.

27

CU67944

ADAPTER

SN: 430077-535023

1шт.

28

CUAR-6808

CONNECTION

SN: 430077-535023

1шт.

29

CU67369

HOSE

SN: 430077-535023

4шт.

30

CU43828-E

CLAMP

SN: 430077-535023

8шт.

31

CU197007

CONNECTION

SN: 430077-535023

2шт.

32

CU116465

ELBOW

SN: 430077-535023

1шт.

33

CU196878

TUBE

SN: 430077-535023

1шт.

34

CU196876

TEE

SN: 430077-535023

1шт.

35

CUS-1040-A

ELBOW

SN: 430077-550573

2шт.

36

02720-20204

PLUG,(NOT SHOWN)

SN: 430077-550573

1шт.

Выбрано товаров: 40