Запчасти Komatsu VTA-1710-1A КРЫШКА КОРОМЫСЛА(№77-) ГОЛОВКА ЦИЛИНДРОВ

Схема запчастей Komatsu VTA-1710-1A - КРЫШКА КОРОМЫСЛА(№77-) ГОЛОВКА ЦИЛИНДРОВ
FIT
1:1
100%

Артикул

Название

Примечание

Количество

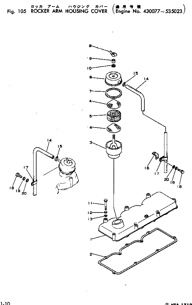
1

CU165183

COVER

SN: 430077-@

2шт.

|1

CU149596

COVER

SN: 430077-535023

2шт.

2

CU201978

GASKET

SN: 430077-@

4шт.

|2

CU156810

BREATHER ASS'Y

SN: 430077-535023

2шт.

3

CU156812

HOUSING

SN: 430077-535023

1шт.

4

CU254064

CONE

SN: 430077-535023

2шт.

5

CU161917

MESH

SN: 430077-535023

1шт.

6

CU155997

COVER

SN: 430077-535023

1шт.

7

CU125019

GASKET

SN: 430077-535023

1шт.

8

CU125017

NUT

SN: 430077-535023

1шт.

9

CU125016

WASHER

SN: 430077-535023

1шт.

10

CU125015

GASKET

SN: 430077-535023

1шт.

11

02010-20651

BOLT

SN: 430077-@

36шт.

12

01602-00929

WASHER

SN: 430077-@

36шт.

13

01640-21016

WASHER

SN: 430077-@

36шт.

Выбрано товаров: 15