Запчасти Komatsu VTA-1710-1A КРЫШКА КОРОМЫСЛА(№-) ГОЛОВКА ЦИЛИНДРОВ

Схема запчастей Komatsu VTA-1710-1A - КРЫШКА КОРОМЫСЛА(№-) ГОЛОВКА ЦИЛИНДРОВ
FIT
1:1
100%

Артикул

Название

Примечание

Количество

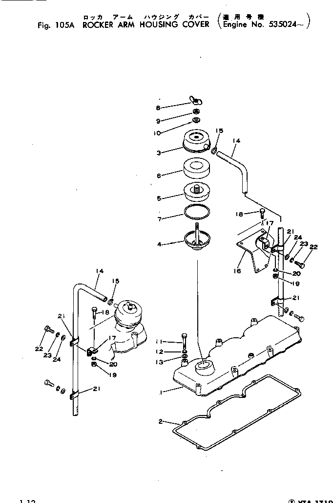
1

CU165183

COVER

SN: 430077-UP

2шт.

|1

CU3000595

COVER

SN: 535024-UP

2шт.

2

CU201978

GASKET

SN: 430077-UP

4шт.

|2

CU3302880

BREATHER ASS'Y

SN: .-UP

2шт.

|2

0

BREATHER ASS'Y

SN: 535024-.

2шт.

3

CU255803

COVER

SN: 535024-UP

1шт.

4

CU255806

BODY

SN: 535024-UP

1шт.

5

CU3304880

ELEMENT

SN: .-UP

1шт.

|5

0

ELEMENT

SN: 535024-.

1шт.

6

CU3304879

ELEMENT

SN: .-UP

1шт.

|6

0

ELEMENT

SN: 535024-.

1шт.

7

CU254608

GASKET

SN: 535024-UP

1шт.

8

CU250026

NUT

SN: 535024-UP

1шт.

9

CU255816

WASHER

SN: 535024-UP

1шт.

10

CU255815

GASKET

SN: 535024-UP

1шт.

11

02010-20651

BOLT

SN: 430077-UP

36шт.

12

01602-00929

WASHER

SN: 430077-UP

36шт.

13

01640-21016

WASHER

SN: 430077-UP

36шт.

14

07261-21413

HOSE

SN: 689062-UP

2шт.

15

07281-00289

CLAMP

SN: .-UP

2шт.

|15

0

CLAMP

SN: 433904-.

2шт.

17

6128-51-8270

BRACKET

SN: 689062-UP

2шт.

18

01010-31245

BOLT

SN: 689062-UP

2шт.

19

01580-01210

NUT

SN: 689062-UP

2шт.

20

01602-01236

WASHER

SN: 689062-UP

2шт.

21

6600-01-5590

CLAMP

SN: 689062-UP

4шт.

22

01010-30816

BOLT

SN: 689062-UP

2шт.

23

01602-00825

WASHER

SN: 689062-UP

2шт.

24

01640-20816

WASHER

SN: 689062-UP

2шт.

Выбрано товаров: 29