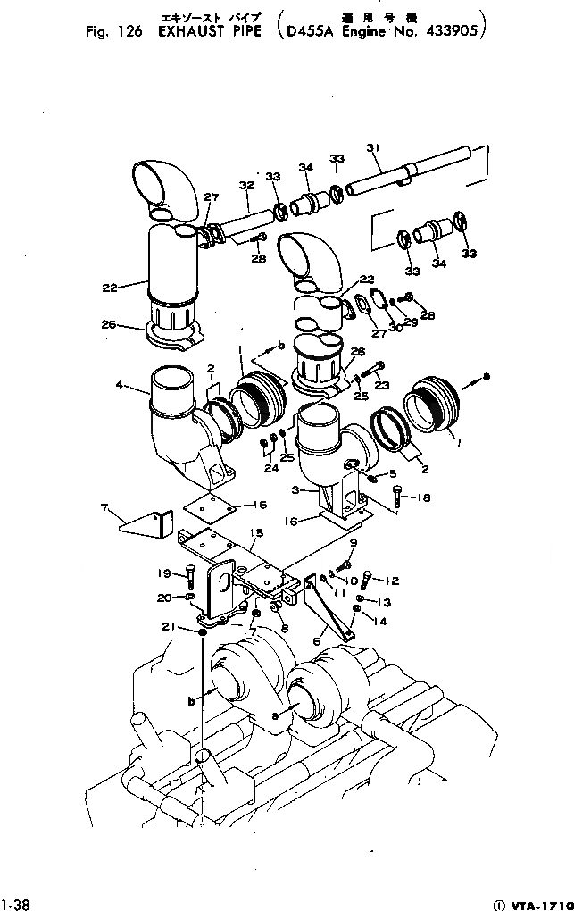
Запчасти Komatsu VTA-1710-1B ВЫХЛОПНАЯ ТРУБА(№9) ГОЛОВКА ЦИЛИНДРОВ

Схема запчастей Komatsu VTA-1710-1B - ВЫХЛОПНАЯ ТРУБА(№9) ГОЛОВКА ЦИЛИНДРОВ
FIT
1:1
100%

Артикул

Название

Примечание

Количество

1

6715-11-5510

FLANGE

SN: 433905-433905

2шт.

2

6128-81-2830

RING,SEAL

SN: 433905-433905

4шт.

3

6715-11-5540

ELBOW

SN: 433905-433905

1шт.

4

6715-11-5640

ELBOW

SN: 433905-433905

1шт.

5

07042-00108

PLUG

SN: 433905-433905

4шт.

6

6715-11-5650

BRACKET,L.H.

SN: 433905-433905

1шт.

7

6715-11-5660

BRACKET,R.H.

SN: 433905-433905

1шт.

8

6715-11-5670

SPACER

SN: 433905-433905

2шт.

9

01010-31230

BOLT

SN: 433905-433905

2шт.

10

01602-01236

WASHER,SPRING

SN: 433905-433905

2шт.

11

01640-21223

WASHER

SN: 433905-433905

2шт.

12

02010-20664

BOLT

SN: 433905-433905

4шт.

13

01602-00929

WASHER,SPRING

SN: 433905-433905

4шт.

14

01642-21016

WASHER

SN: 433905-433905

4шт.

15

6715-11-5720

BRACKET

SN: 433905-433905

1шт.

16

6715-11-5910

SHIM

SN: 433905-433905

11шт.

17

6710-81-2920

NUT

SN: 433905-433905

6шт.

18

01050-61245

BOLT

SN: 433905-433905

6шт.

19

CUS-105

BOLT

SN: 433905-433905

4шт.

20

01602-01138

WASHER,SPRING

SN: 433905-433905

4шт.

21

CU65434

SPACER

SN: 433905-433905

4шт.

22

6715-11-5731

PIPE,EXHAUST

SN: 433905-433905

2шт.

23

01051-31420

BOLT

SN: 433905-433905

2шт.

24

01582-21411

NUT

SN: 433905-433905

4шт.

25

01641-21423

WASHER

SN: 433905-433905

4шт.

26

6715-11-5740

CLAMP

SN: 433905-433905

2шт.

27

6128-11-5610

GASKET

SN: 433905-433905

2шт.

28

6128-11-5760

BOLT

SN: 433905-433905

4шт.

29

6112-21-6220

SPACER

SN: 433905-433905

2шт.

30

6127-21-6710

COVER

SN: 433905-433905

1шт.

31

6715-81-7840

PIPE,EJECTOR

SN: 433905-433905

1шт.

32

6715-81-7860

PIPE,EJECTOR

SN: 433905-433905

1шт.

33

07281-00609

CLAMP

SN: 433905-433905

4шт.

34

6112-13-5660

HOSE

SN: 433905-433905

2шт.

Выбрано товаров: 34