Запчасти Komatsu VTA-1710-1B КРЫШКА КОРОМЫСЛА(№9-) ГОЛОВКА ЦИЛИНДРОВ

Схема запчастей Komatsu VTA-1710-1B - КРЫШКА КОРОМЫСЛА(№9-) ГОЛОВКА ЦИЛИНДРОВ
FIT
1:1
100%

Артикул

Название

Примечание

Количество

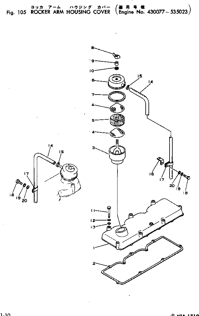
1

CU165183

COVER

SN: 430077-@

2шт.

|1

CU149596

COVER

SN: 430077-535023

2шт.

2

CU201978

GASKET

SN: 430077-@

4шт.

|2

CU156810

BREATHER

SN: 430077-535023

2шт.

3

CU156812

HOUSING

SN: 430077-535023

1шт.

4

CU254064

CONE

SN: 430077-535023

2шт.

5

CU161917

MESH

SN: 430077-535023

1шт.

6

CU155997

COVER

SN: 430077-535023

1шт.

7

CU125019

GASKET

SN: 430077-535023

1шт.

8

CU125017

NUT

SN: 430077-535023

1шт.

9

CU125016

WASHER

SN: 430077-535023

1шт.

10

CU125015

GASKET

SN: 430077-535023

1шт.

11

02010-20651

BOLT

SN: 430077-@

36шт.

12

01602-00929

WASHER

SN: 430077-@

36шт.

13

01640-21016

WASHER

SN: 430077-@

36шт.

14

07261-21413

HOSE

SN: 433904-@

2шт.

15

07280-02523

CLAMP

SN: 433904-@

2шт.

16

6128-51-8270

BRACKET

SN: 433904-@

1шт.

17

6600-01-5590

CLIP

SN: 433904-@

2шт.

18

01010-30816

BOLT

SN: 433904-@

1шт.

19

01602-00825

WASHER

SN: 433904-@

1шт.

20

01640-20816

WASHER

SN: 433904-@

1шт.

Выбрано товаров: 22