Запчасти Komatsu VTA-1710-1C ХОЛОДН. ЗАПУСКING AID ТОПЛИВН. СИСТЕМА

Схема запчастей Komatsu VTA-1710-1C - ХОЛОДН. ЗАПУСКING AID ТОПЛИВН. СИСТЕМА
FIT
1:1
100%

Артикул

Название

Примечание

Количество

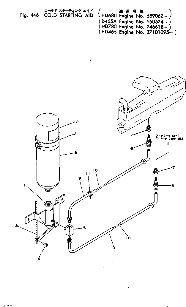
1

CU259374

ETHER KIT

SN: 689062-UP

1шт.

2

0

CLAMP

SN: 689062-UP

1шт.

3

CU3302696

CABLE

SN: 689062-UP

1шт.

4

CU3302701

SCREW

SN: 689062-UP

1шт.

5

CU259357

FITTING

SN: 689062-UP

1шт.

6

CU259346

ATOMIZER

SN: 689062-UP

2шт.

7

CUS-970-B

PLUG

SN: 689062-UP

2шт.

8

CU259345

CYLINDER

SN: 689062-UP

1шт.

9

07823-00431

TUBE

SN: 689062-UP

2шт.

10

6715-81-4450

TUBE

SN: 689062-UP

2шт.

12

6715-81-1660

PLATE, CAUTION,(SPANISH)

SN: 689062-UP

1шт.

12

6715-81-1260

PLATE, CAUTION,(FRENCH)

SN: 689062-UP

1шт.

12

6715-81-1560

PLATE, CAUTION,(GERMAN)

SN: 689062-UP

1шт.

Выбрано товаров: 13