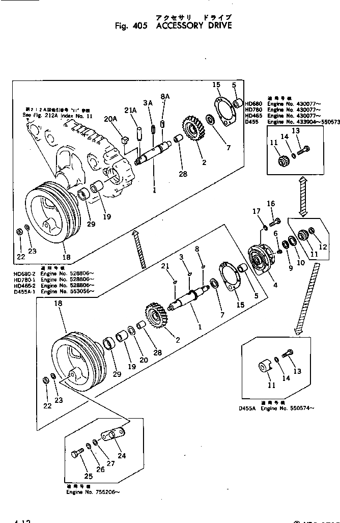
Запчасти Komatsu VTA-1710-1C АКСЕССУАРЫ ПРИВОД ТОПЛИВН. СИСТЕМА

Схема запчастей Komatsu VTA-1710-1C - АКСЕССУАРЫ ПРИВОД ТОПЛИВН. СИСТЕМА
FIT
1:1
100%

Артикул

Название

Примечание

Количество

|1

CU3005123

PUMP ASS'Y

SN: 430077-UP

1шт.

1

CU3003182

SHAFT

SN: 430077-528805

1шт.

|1

CU3000171

SHAFT

SN: 528806-UP

1шт.

2

CU123128

GEAR

SN: 430077-UP

1шт.

3

02410-01025

KEY

SN: 528806-UP

1шт.

3A

CU3034438

PIN

SN: 528806-UP

1шт.

|4

CUAR-7556

HOUSING ASS'Y

SN: 430077-UP

1шт.

4

CU3002173

HOUSING

SN: 430077-UP

1шт.

5

CU116391

BUSHING

SN: 430077-UP

1шт.

6

02720-20204

PLUG

SN: 430077-UP

1шт.

7

CU3026556

BEARING (STD)

SN: .-UP

1шт.

|7

0

WASHER (STD)

SN: 430077-.

1шт.

8

02410-00619

KEY

SN: 430077-553055

1шт.

8A

0

PIN

SN: 553056-UP

1шт.

9

CU3026557

WASHER (STD)

SN: .-UP

1шт.

|9

0

WASHER (STD)

SN: 430077-.

1шт.

10

CU116390

WASHER

SN: 430077-553055

1шт.

|10

CU3014103

WASHER

SN: 553056-UP

1шт.

11

CU3000174

HUB

SN: 430077-UP

1шт.

13

CU3000173

BOLT

SN: 430077-UP

1шт.

14

CU170664

WASHER

SN: 430077-UP

1шт.

15

CU200808

GASKET

SN: 430077-UP

1шт.

16

02010-20732

BOLT

SN: 430077-UP

5шт.

17

01602-01134

WASHER

SN: 430077-UP

5шт.

|18

CUAR-5830

PULLEY ASS'Y

SN: 430077-528805

1шт.

|18

CU3015113

PULLEY ASS'Y

SN: 528806-UP

1шт.

18

0

PULLEY

SN: 430077-528805

1шт.

|18

0

PULLEY

SN: 528806-UP

1шт.

19

CU190397

SLEEVE

SN: 430077-UP

1шт.

20

CU181236

SEAL

SN: 430077-528805

1шт.

20A

CU3008947

SEAL

SN: 528806-UP

1шт.

21

02410-01025

KEY

SN: 430077-528805

1шт.

21A

CU70550

PIN

SN: 528806-UP

1шт.

23

CU194380

WASHER

SN: 430077-UP

1шт.

24

CU174448

PLATE

SN: 430077-UP

1шт.

25

CU103009

BOLT

SN: 430077-UP

2шт.

26

01602-01134

WASHER

SN: 430077-UP

2шт.

27

01640-21123

WASHER

SN: 430077-UP

2шт.

28

CU132770

BUSHING

SN: 430077-UP

1шт.

29

CU3000975

SEAL

SN: 430077-UP

1шт.

Выбрано товаров: 40