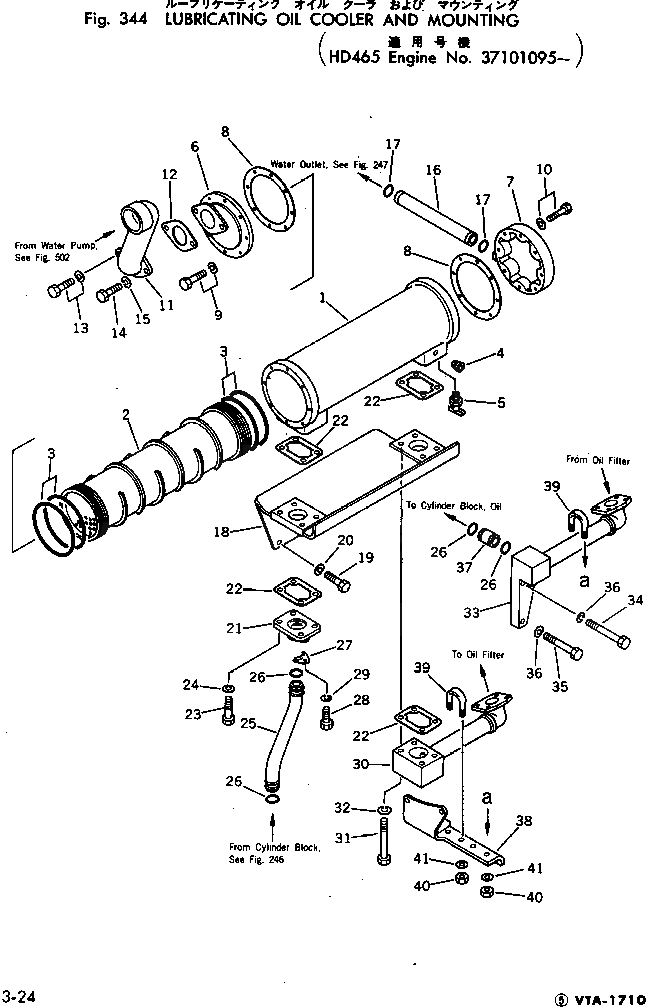
Запчасти Komatsu VTA-1710-1D СИСТЕМА СМАЗКИ МАСЛ. ОХЛАЖД.LER И КРЕПЛЕНИЕ(№79-) СИСТЕМА СМАЗКИ МАСЛ. СИСТЕМА

Схема запчастей Komatsu VTA-1710-1D - СИСТЕМА СМАЗКИ МАСЛ. ОХЛАЖД.LER И КРЕПЛЕНИЕ(№79-) СИСТЕМА СМАЗКИ МАСЛ. СИСТЕМА
FIT
1:1
100%

Артикул

Название

Примечание

Количество

|1

CUAR-2139

COOLER ASS'Y

SN: 37101095-UP

1шт.

|1

CU3010615

COOLER ASS'Y

SN: 37101095-UP

1шт.

1

CU3010613

HOUSING

SN: 37101095-UP

1шт.

2

CU3010612

ELEMENT

SN: 37101095-UP

1шт.

3

CU3010617

O-RING

SN: 37101095-UP

4шт.

4

CUS911-B

RETAINER

SN: 37101095-UP

3шт.

5

CUS-923-E

VALVE

SN: 37101095-UP

1шт.

6

CU180727

COVER

SN: 37101095-UP

1шт.

7

CU186199

COVER

SN: 37101095-UP

1шт.

8

CU172723

GASKET

SN: 37101095-UP

2шт.

9

CU3010597

BOLT

SN: 37101095-UP

8шт.

10

CU3012472

BOLT

SN: 37101095-UP

7шт.

11

CU180755

CONNECTION

SN: 37101095-UP

1шт.

12

CU140329

GASKET

SN: 37101095-UP

1шт.

13

CU3010595

BOLT

SN: 37101095-UP

1шт.

14

CUS-141

BOLT

SN: 37101095-UP

1шт.

15

CUS-604

WASHER

SN: 37101095-UP

1шт.

16

CU191980

TUBE

SN: 37101095-UP

1шт.

17

CU122981

O-RING

SN: 37101095-UP

2шт.

18

6715-52-5210

BRACKET

SN: 37101095-UP

1шт.

19

02010-20832

BOLT

SN: 37101095-UP

6шт.

20

01602-01338

WASHER

SN: 37101095-UP

6шт.

21

6715-52-5360

FLANGE

SN: 37101095-UP

1шт.

22

CU180730

GASKET

SN: 37101095-UP

4шт.

23

02010-20851

BOLT

SN: 37101095-UP

4шт.

24

01602-01338

WASHER

SN: 37101095-UP

4шт.

25

6715-52-5350

PIPE

SN: 37101095-UP

1шт.

26

CU3010157

O-RING

SN: 37101095-UP

4шт.

27

CU214616

CLAMP

SN: 37101095-UP

1шт.

28

02010-20413

BOLT

SN: 37101095-UP

1шт.

29

01602-00410

WASHER

SN: 37101095-UP

1шт.

30

6715-52-5231

CONNECTOR

SN: 37101095-UP

1шт.

31

02011-170852

BOLT

SN: 37101095-UP

4шт.

32

01602-01338

WASHER

SN: 37101095-UP

4шт.

33

6715-52-5220

CONNECTOR

SN: 37101095-UP

1шт.

34

02011-20808

BOLT

SN: 37101095-UP

1шт.

35

02010-20895

BOLT

SN: 37101095-UP

1шт.

36

01602-01338

WASHER

SN: 37101095-UP

2шт.

37

CU201875

TUBE

SN: 37101095-UP

1шт.

38

6715-52-5291

BRACKET

SN: 37101095-UP

1шт.

39

07283-24346

CLIP

SN: 37101095-UP

2шт.

40

01599-01011

NUT

SN: 37101095-UP

4шт.

41

01643-31032

WASHER

SN: 37101095-UP

4шт.

Выбрано товаров: 43