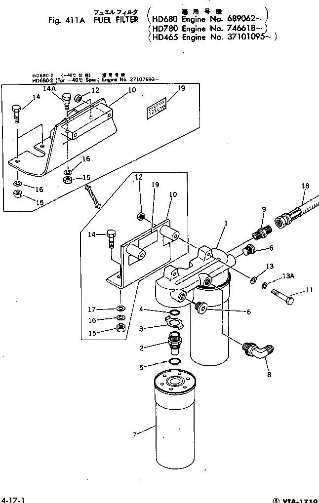
Запчасти Komatsu VTA-1710-1D ТОПЛИВН. ФИЛЬТР.(№89-) ТОПЛИВН. СИСТЕМА

Схема запчастей Komatsu VTA-1710-1D - ТОПЛИВН. ФИЛЬТР.(№89-) ТОПЛИВН. СИСТЕМА
FIT
1:1
100%

Артикул

Название

Примечание

Количество

|$0

CUAR-12441

HEAD ASS'Y

SN: 689062-UP

1шт.

|$1

CU3010637

HEAD ASS'Y

SN: 689062-UP

1шт.

1

0

HEAD

SN: 689062-UP

1шт.

2

CU3010635

INSERT

SN: 689062-UP

2шт.

3

CU3004272

PLATE

SN: 689062-UP

2шт.

4

CU145507

O-RING

SN: 689062-UP

2шт.

5

CU43696-A

O-RING

SN: 689062-UP

2шт.

6

CU139473

PLUG

SN: 689062-.

2шт.

6

CU68455

PLUG

SN: .-UP

2шт.

7

CU299202

ELEMENT

SN: 689062-UP

2шт.

8

CU207534

ELBOW

SN: 689062-.

1шт.

8

CU3014208

CONNECTOR

SN: .-UP

1шт.

9

CU129866

CONNECTOR

SN: 689062-.

1шт.

9

CU3014579

CONNECTOR

SN: .-UP

1шт.

10

CU3001928

BRACKET

SN: 689062-UP

1шт.

11

CU106069

BOLT

SN: 689062-UP

2шт.

12

CUS-217

NUT

SN: 689062-UP

2шт.

13

CU146163

WASHER

SN: 689062-UP

2шт.

13A

CUS-610

WASHER

SN: 689062-UP

2шт.

14

CU106289

BOLT

SN: 689062-UP

2шт.

15

CUS-200

NUT

SN: 689062-UP

2шт.

16

01602-01338

WASHER

SN: 689062-UP

2шт.

17

CU68367-A

WASHER

SN: 689062-UP

2шт.

18

CUAS-10021SS

HOSE

SN: 689062-UP

1шт.

19

6715-82-1430

PLATE, CAUTION

SN: 689062-UP

1шт.

Выбрано товаров: 25