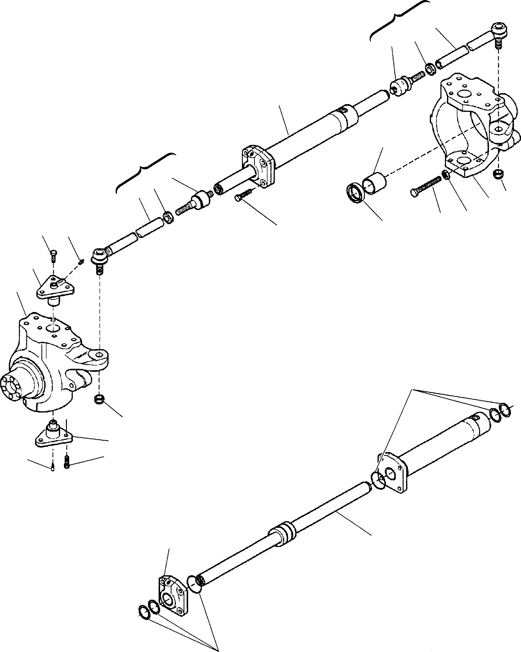
Запчасти Komatsu WB140-2 ПЕРЕДНИЙ МОСТ (WD) (/) РАМА

Схема запчастей Komatsu WB140-2 - ПЕРЕДНИЙ МОСТ (WD) (/) РАМА
1
4
3
2
5
17
1
2
3
4
11
14
15
16
20
6
8
7
9
10
19
11
12
13
8
21
18
19
FIT
1:1
100%

Артикул

Название

Примечание

Количество

\0

200040628

FRONT AXLE, ASSY

1

CA0140265

STERING ARM ASSY

2

SPHERICAL JOINT

3

NUT

4

LINK

5

CA0139495

JACK

6

CA0128534

BOLT

7

CA0024210

FITTING

8

CA0126922

BOLT

9

CA0128880

KING PIN

10

CA0138721

SWIVEL HOUSING, L.H.

11

CA0022431

NUT

12

CA0128881

KING PIN

13

CA0024211

FITTING

14

CA0138720

SWIVEL HOUSING

15

CA0022129

NUT

16

CA0124748

BOLT

17

CA0109972

BUSH

18

CA0049084

CYLINDER HEAD

19

CA0049210

GASKET KIT

20

CA0116722

SEAL

21

CA0049083

ROD

Выбрано товаров: 22