Запчасти Komatsu WB140-2 РЕГУЛЯТОР (/) (TURBO ДВИГАТЕЛЬ) ДВИГАТЕЛЬ

Схема запчастей Komatsu WB140-2 - РЕГУЛЯТОР (/) (TURBO ДВИГАТЕЛЬ) ДВИГАТЕЛЬ
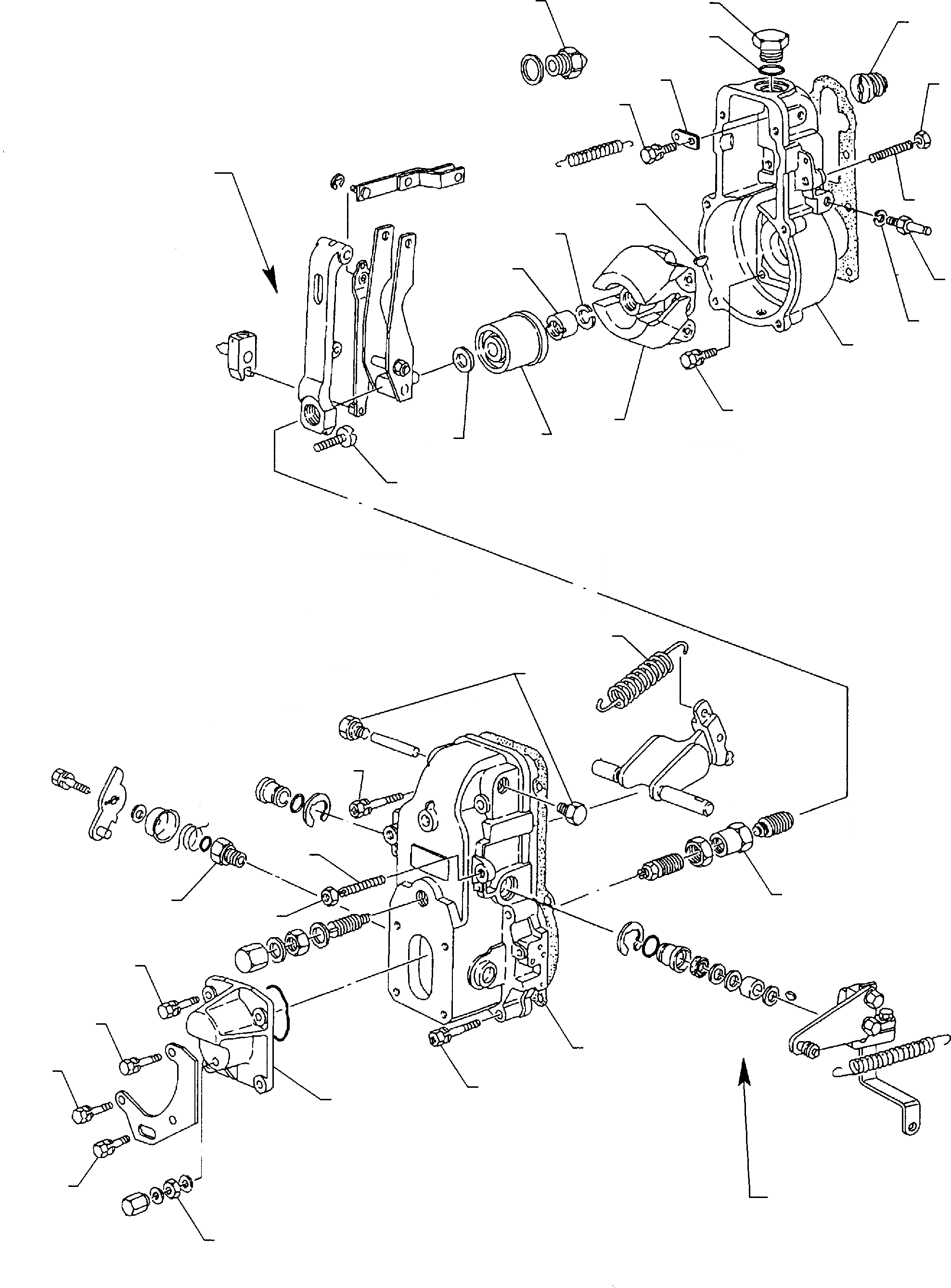
21
A
4
5
3
A
7
10
6
9
28
29
30
11
12
2
8
27
31
32
15
41
17
18
19
1
14
10
26
25
13
24
20
22
23
16
FIT
1:1
100%

Артикул

Название

Примечание

Количество

\0

871070032

TURBO ENGINE

\0

871070040

TURBO ENGINE

\0

YM123911-51010

COMPLETE PUMP

1

YMX0292016010

NUT

2

YMX1540006400

FLANGED HOUSING

3

YMX0296325070

O-RING

4

YMX1540072900

PLUG

5

YMX1540070200

ADAPTER

6

YMX0200181840

BOLT

7

YMX1543501900

PLATE

8

YMX0290106810

BOLT

9

YMX1540100100

SCREW

10

YMX1540110100

NUT

11

YMX1540132320

BOLT

12

YMX0141108440

SPRING

13

YMX1545001020

COVER

14

YMX1543210400

BUSH

15

YMX1540313000

SCREW

16

YMX1392060600

NUT

17

YMX1540360300

PLUG

18

YMX0201065040

BOLT

19

YMX1540100200

SCREW

20

YMX0201063840

BOLT

21

YMX1530205220

LIMITER

22

YMX1540635100

COVER

23

YMX0290206260

BOLT

24

YMX0290206260

BOLT

25

YMX0200062040

BOLT

26

YMX0200061640

BOLT

27

YMX1541010020

FLYWAIGHT ASSY.

28

YMX0258031610

KEY

29

YMX0293212020

SPRING

30

YMX0292312030

NUT

31

YMX1541230120

SLEEVE

32

YMX0293110010

SHIM

32

YMX0293110180

SHIM

32

YMX0293110190

SHIM

32

YMX0293110210

SHIM

32

YMX1394100000

SHIM

32

YMX1394100100

SHIM

32

YMX1394103000

SHIM

32

YMX1394103100

SHIM

32

YMX1394103200

SHIM

41

YMX1541502900

SPRING

Выбрано товаров: 44