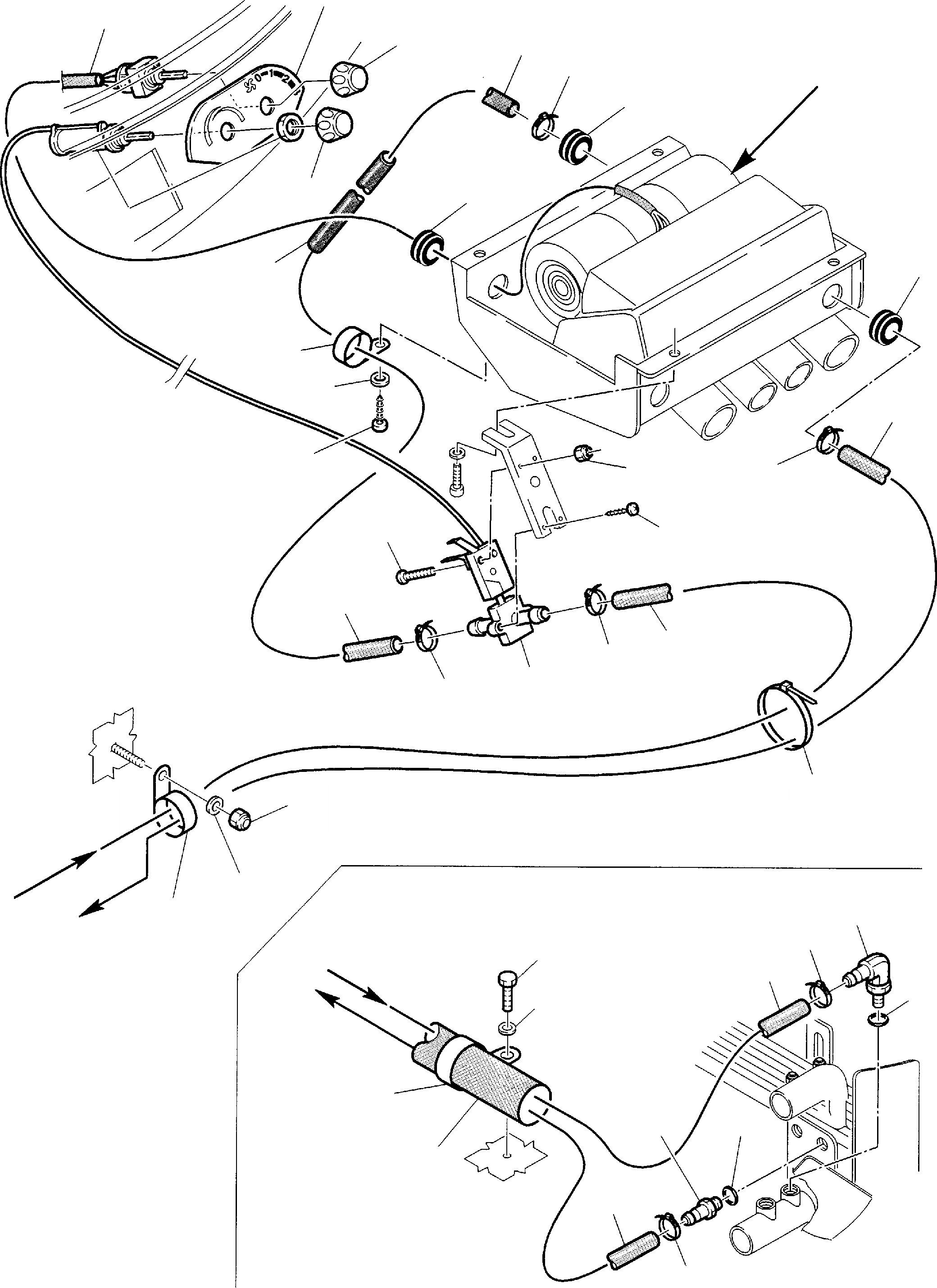
Запчасти Komatsu WB140-2 СИСТЕМА ПОДОГРЕВА (/) ЧАСТИ КОРПУСА И КАБИНА

Схема запчастей Komatsu WB140-2 - СИСТЕМА ПОДОГРЕВА (/) ЧАСТИ КОРПУСА И КАБИНА
A
A
A
B
B
2
3
1
9
10
24
1
24
4
24
23
13
26
11
25
10
8
6
7
9
12
10
5
10
22
14
15
13
19
10
16
11
20
15
13
17
18
21
12
10
FIT
1:1
100%

Артикул

Название

Примечание

Количество

1

816214528

KNOB

2

312632602

ADHESIVE PLATE

3

885081140

SWITCH

4

312608068

CONTROL CABLE

5

816214526

WATER COCK

6

801370039

SCREW

7

801250029

SCREW

8

801852204

SELF-LOCKING NUT

9

852991033

HOSE (L=800)

10

802660003

CLAMP

11

852991033

HOSE (L=2500)

12

852991033

HOSE (L=4000)

13

802660027

COLLAR SUPPORT

14

801852208

SELF-LOCKING NUT

15

802170001

WASHER

17

390029034

UNION

18

885051113

O-RING

19

390032022

ELBOW

20

885051113

O-RING

21

312610619

HOSE PROTECTION

22

885180004

WRAPPER

23

312632608

HOSE PROTECTION

24

885411040

RUBBER

25

801370080

SELF TAPING SCREW

26

802170000

WASHER

Выбрано товаров: 0