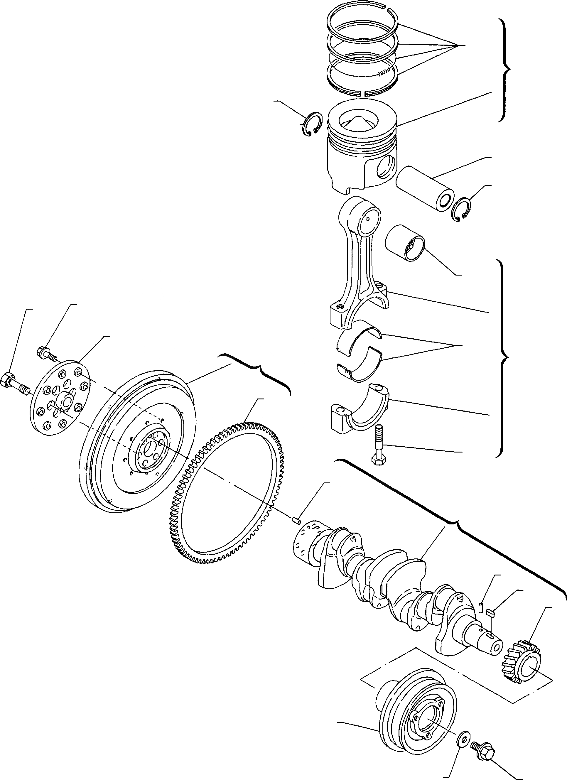
Запчасти Komatsu WB140-2 КОЛЕНВАЛ & ПОРШЕНЬ (ASPIRATED ДВИГАТЕЛЬ) ДВИГАТЕЛЬ

Схема запчастей Komatsu WB140-2 - КОЛЕНВАЛ & ПОРШЕНЬ (ASPIRATED ДВИГАТЕЛЬ) ДВИГАТЕЛЬ
18
16
25
24
25
29
15
10
11
31
33
26
12
14
30
5
1
4
6
3
8
7
9
FIT
1:1
100%

Артикул

Название

Примечание

Количество

\0

871070036

ASPIRATED ENGINE

\0

871070039

ASPIRATED ENGINE

1

YM123900-21000

CRANKSHAFT

3

YM129900-21200

GEAR

4

YM121850-21290

PARALLEL PIN

5

YM121850-21920

PARALLEL PIN

6

YM22512-070140

KEY

7

YM129900-21640

WASHER

8

YM123900-21650

PULLEY

9

YM121850-21680

BOLT

10

YM121850-21130

BOLT

11

YM123910-21500

INTERMEDIATE

12

YM123910-21580

FLYWHEEL ASSY

14

YM127410-21480

RING GEAR

15

YM26106-080252

BOLT

16

YM123900-22080

PISTON

16

YM123900-22900

PISTON (+0,25 mm)

18

YM123900-22050

RING , ASSY

18

YM123900-22950

RING, ASSY (+0,25 mm)

24

YM119173-22300

PIN

25

YM22252-000370

RING

26

YM123900-23000

ROD

29

YM123900-23910

PISTON PIN

30

YM123900-23200

BOLT

31

YM123900-23600

ASSY GEAR

33

YM123900-23610

BEARING (-0,25 mm)

Выбрано товаров: 26