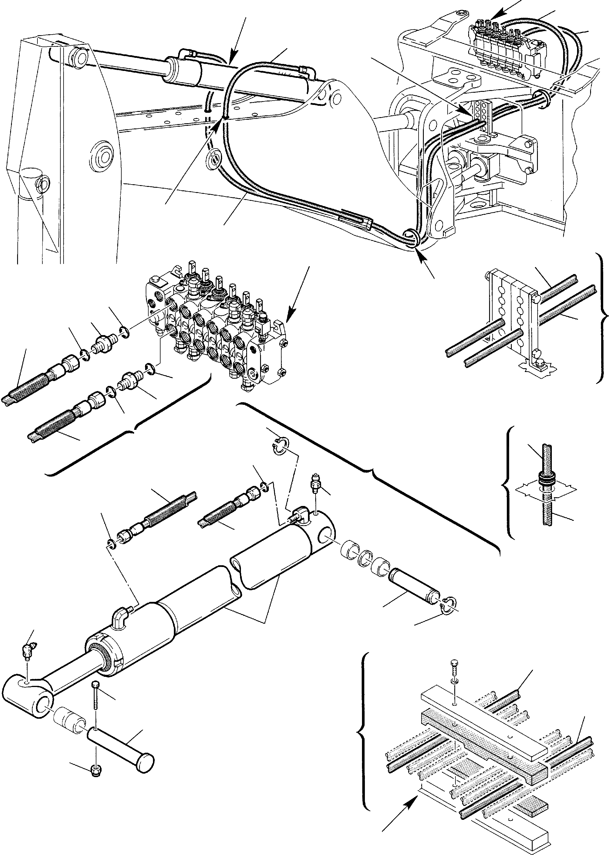
Запчасти Komatsu WB140-2 ГИДРОЛИНИЯ (ЦИЛИНДР РУКОЯТИ) ГИДРАВЛИКА РАБОЧЕЕ ОБОРУДОВАНИЕ

Схема запчастей Komatsu WB140-2 - ГИДРОЛИНИЯ (ЦИЛИНДР РУКОЯТИ) ГИДРАВЛИКА РАБОЧЕЕ ОБОРУДОВАНИЕ
A
A
B
5
B
4
5
C
C
D
D
E
E
B
A
4
4
2
1
5
3
5
2
1
3
14
6
4
15
4
9
15
4
5
5
13
8
14
7
4
11
5
10
12
FIT
1:1
100%

Артикул

Название

Примечание

Количество

1

500380113

UNION

2

855051119

O-RING

3

855051018

O-RING

4

392860006

HOSE

5

392860005

HOSE

6

312708621

BUSHING

7

395002005

JACK ASSY

8

860030004

FITTING

9

860010007

FITTING

10

390597067

PIN

11

801015584

BOLT

12

801880212

SELF-LOCKING NUT

13

312708617

PIN

14

802270017

SNAP RING

15

855051018

O-RING

Выбрано товаров: 15