Запчасти Komatsu WB140-2 ПОВОРОТН. ЦИЛИНДР (ВНУТР. ЧАСТИ) РАБОЧЕЕ ОБОРУДОВАНИЕ

Схема запчастей Komatsu WB140-2 - ПОВОРОТН. ЦИЛИНДР (ВНУТР. ЧАСТИ) РАБОЧЕЕ ОБОРУДОВАНИЕ
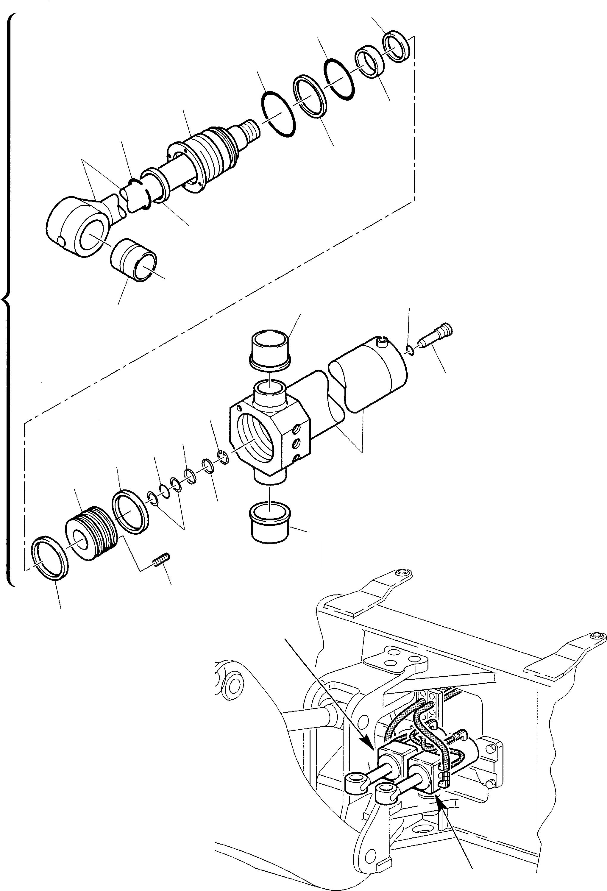
7
A
A
10
A
12
5
6
9
13
11
8
4
2
14
3
22
20
18
17
1
15
21
2
19
23
16
FIT
1:1
100%

Артикул

Название

Примечание

Количество

\0

707-02-11510

CYLINDER ASSY, SWING, L.H.

\0

707-02-11520

CYLINDER ASSY, SWING, R.H.

1

721-11-11881

CYLINDER, L.H.

1

721-11-11891

CYLINDER, R.H.

2

707-76-45580

BUSHING

3

707-71-50200

PLUNGER

4

707-34-18020

O-RING (KIT)

5

707-29-11430

HEAD, CYLINDER

6

07177-05030

BUSHING

7

707-51-50211

PACKING, ROD (KIT)

8

176-63-92240

SEAL, DUST (KIT)

9

07179-12062

RING, SNAP

10

07000-12110

O-RING (KIT)

11

707-35-91610

RING, BACK-UP (KIT)

12

07000-12115

O-RING (KIT)

13

721-58-50951

ROD, PISTON

14

707-76-50840

BUSHING

15

707-36-11970

PISTON

16

707-44-11280

RING, PISTON (KIT)

17

707-39-11510

RING, WEAR (KIT)

18

07000-13050

O-RING (KIT)

19

07001-03050

RING, BACK-UP (KIT)

20

707-71-10120

RING, CUSHION

21

707-81-30080

COLLAR

22

707-73-03010

RING, SNAP

23

01310-00820

SCREW

KIT

707-98-33500

SERVICE KIT, SWING

Выбрано товаров: 27