Запчасти Komatsu WB140-2 ГЕНЕРАТОР (ASPIRATED ДВИГАТЕЛЬ) ДВИГАТЕЛЬ

Схема запчастей Komatsu WB140-2 - ГЕНЕРАТОР (ASPIRATED ДВИГАТЕЛЬ) ДВИГАТЕЛЬ
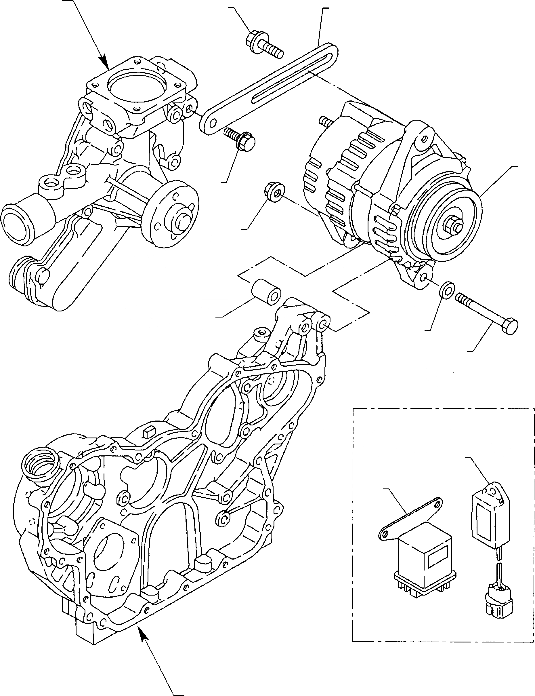
A
B
6
5
11
7
4
1
2
3
9
10
8
FIT
1:1
100%

Артикул

Название

Примечание

Количество

\0

871070036

ASPIRATED ENGINE

\0

871070039

ASPIRATED ENGINE

1

YM123900-77340

DISTANCE PIECE

2

YM22137-100000

WASHER

3

YM26116-101202

BOLT

4

YM26366-100002

NUT

5

YM123900-77330

BRACKET

6

YM119810-77340

BOLT

7

YM26014-080252

BOLT

8

YM129100-77910

RELAY

9

YM119632-77920

TIMER

10

YM128300-77920

TIMER

11

YM123900-77210

GENERATOR 60A

11

YM123910-77210

GENERATOR 80A

Выбрано товаров: 0