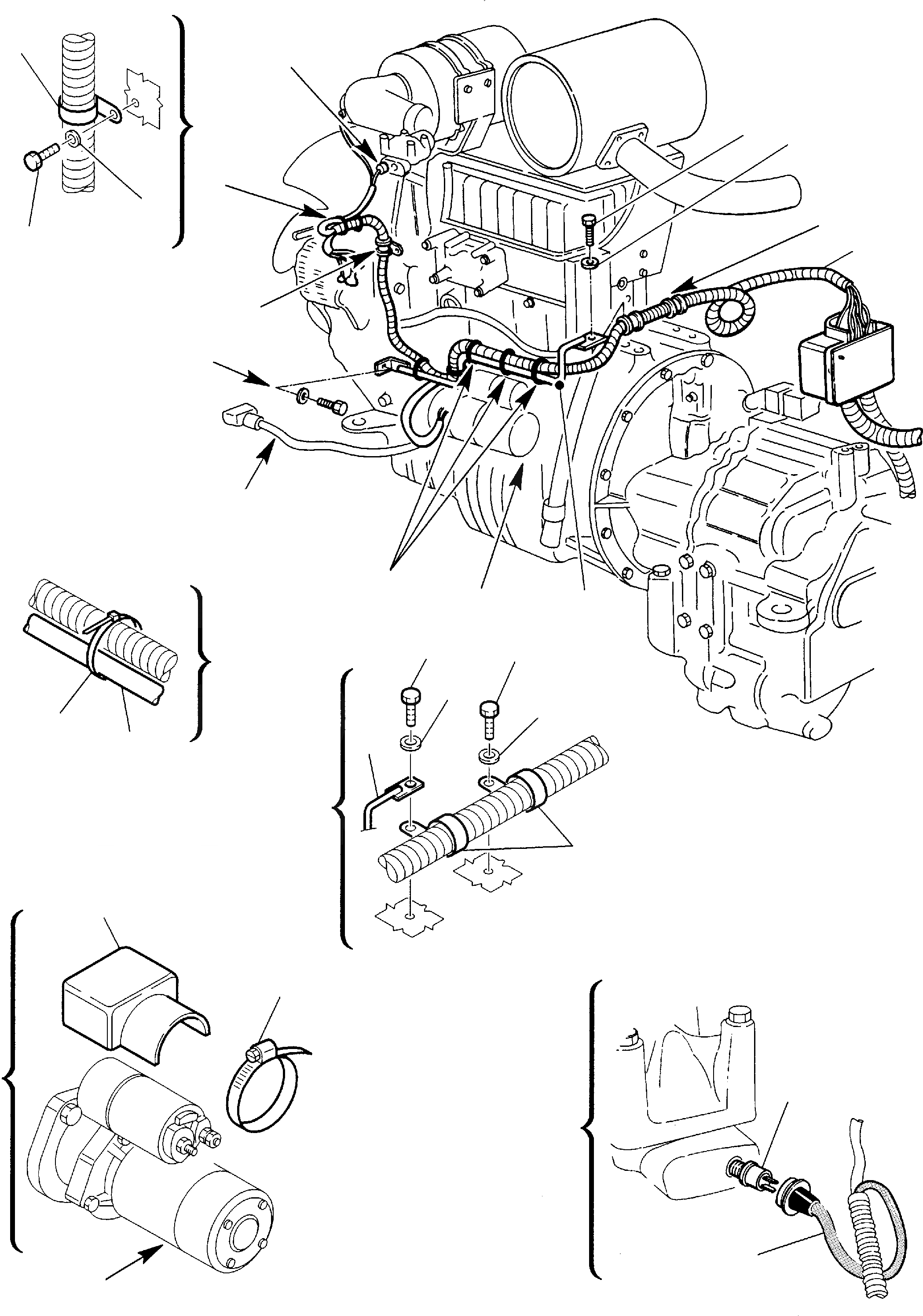
Запчасти Komatsu WB140-2 ЭЛЕКТРИКА (/) КОМПОНЕНТЫ ДВИГАТЕЛЯ И ЭЛЕКТРИКА

Схема запчастей Komatsu WB140-2 - ЭЛЕКТРИКА (/) КОМПОНЕНТЫ ДВИГАТЕЛЯ И ЭЛЕКТРИКА
6
A
B
B
B
C
C
D
E
E
3
D
4
A
B
C
8
7
1
5
3
3
4
4
9
5
5
2
11
12
10
1
FIT
1:1
100%

Артикул

Название

Примечание

Количество

1

312612093

WIRING HARNESS, ASSY

1

312612109

WIRING HARNESS, ASSY

2

802660034

COLLAR

3

801015109

BOLT

4

802170002

WASHER

5

312612057

SUPPORT

6

802660501

COLLAR

6

802660508

COLLAR

7

801015108

BOLT

8

802170002

WASHER

9

885180010

CLAMP

10

885070024

WATER TEMPERATURE TRANSMITTER

11

312607707

COVER

12

885190006

WRAPPER

Выбрано товаров: 14