Запчасти Komatsu WB140-2 ДОПОЛН. КОМПЛЕКТ ДЛЯ ВОЗД. BLENDING-СИСТЕМА ЧАСТИ КОРПУСА И КАБИНА

Схема запчастей Komatsu WB140-2 - ДОПОЛН. КОМПЛЕКТ ДЛЯ ВОЗД. BLENDING-СИСТЕМА ЧАСТИ КОРПУСА И КАБИНА
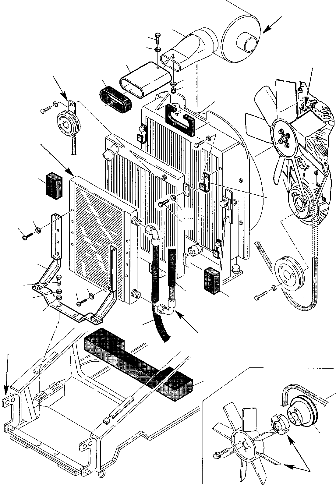
17
20
A
15
16
14
19
16
18
9
11
13
6
12
5
21
1
2
6
5
8
3
9
4
7
10
A
B
C
D
E
E
FIT
1:1
100%

Артикул

Название

Примечание

Количество

\0

878000652

ADDITIONAL KIT FOR AIR BLENDING-SYSTEM

1

312607116

CONDENSER SUPPORT

2

801015087

BOLT

3

802170001

WASHER

4

802150508

WASHER

5

801330053

SELF-TAPPING SCREW

6

802070004

WASHER

7

312607750

HOSE PROTECTION

8

312607749

HOSE PROTECTION

9

312607730

GASKET

10

312607729

GASKET

11

312607115

SUPPORT

12

801015086

BOLT

13

802170001

WASHER

14

312607746

EXTENSION

15

801014938

BOLT

16

802148005

WASHER

17

801852205

SELF-LOCKING NUT

18

312607739

GASKET

19

312607748

RUBBER

20

YMR002401

PULLEY

21

YMR002644

PULLEY

Выбрано товаров: 22