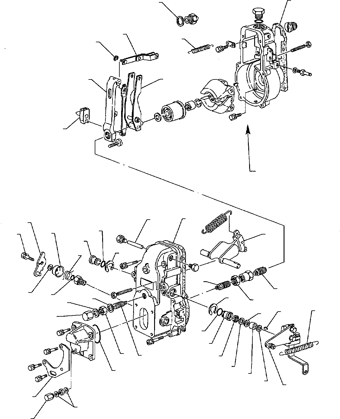
Запчасти Komatsu WB140-2 РЕГУЛЯТОР (/) (TURBO ДВИГАТЕЛЬ) ДВИГАТЕЛЬ

Схема запчастей Komatsu WB140-2 - РЕГУЛЯТОР (/) (TURBO ДВИГАТЕЛЬ) ДВИГАТЕЛЬ
79
85
61
42
62
63
60
71
80
64
66
51
70
67
49
56
52
72
86
47
73
69
52
45
48
45
68
57
55
46
51
50
44
43
53
54
81
58
59
65
84
82
83
A
FIT
1:1
100%

Артикул

Название

Примечание

Количество

\0

871070040

TURBO ENGINE

\0

YM123911-51010

COMPLETE PUMP

42

YMX1541540701

SPRING

43

YMX1541580920

SPRING

44

YMX1540111700

NUT

45

YMX0265121540

GASKET

46

YMX1541591200

NUT

47

YMX1541856120

SPRING

48

YMX0292016080

NUT

49

YMX1542006920

LEVER

50

YMX1542043000

BUSH

51

YMX0296318020

O-RING

52

YMX0160101640

RING

53

YMX1396110000

SEAL, OIL

54

YMX1394110000

SHIM

55

YMX0293111070

SHIM

56

YMX1542043100

BUSH

57

YMX0258031310

KEY

58

YMX1542062800

COLLAR

59

YMX1542060200

WASHER

60

YMX1542163820

LEVER

61

YMX1542303920

LINK

62

YMX0160100540

RING

63

YMX1542364100

LEVER

64

YMX1542370100

PIN

65

YMX1543963120

LEVER

66

YMX1543827920

LEVER

67

YMX0200061640

BOLT

68

YMX1543142600

SPRING

69

YMX0296310030

O-RING

70

YMX1543220100

CAP

71

YMX1543265020

LEVER

72

YMX1543277400

SPRING

73

YMX0293110520

SHIM

73

YMX0293110530

SHIM

73

YMX0293110540

SHIM

73

YMX0293110550

SHIM

73

YMX0293110560

SHIM

73

YMX0293110570

SHIM

79

YMX1543507700

GASKET

80

YMX1543507800

GASKET

81

YMX0296352020

O-RING

82

YMX0265061040

GASKET

83

YMX1540351600

CAP NUT

84

YMX1543587200

BRACKET

85

YMX0265182240

GASKET

86

YMX1541796220

SPRING

Выбрано товаров: 47