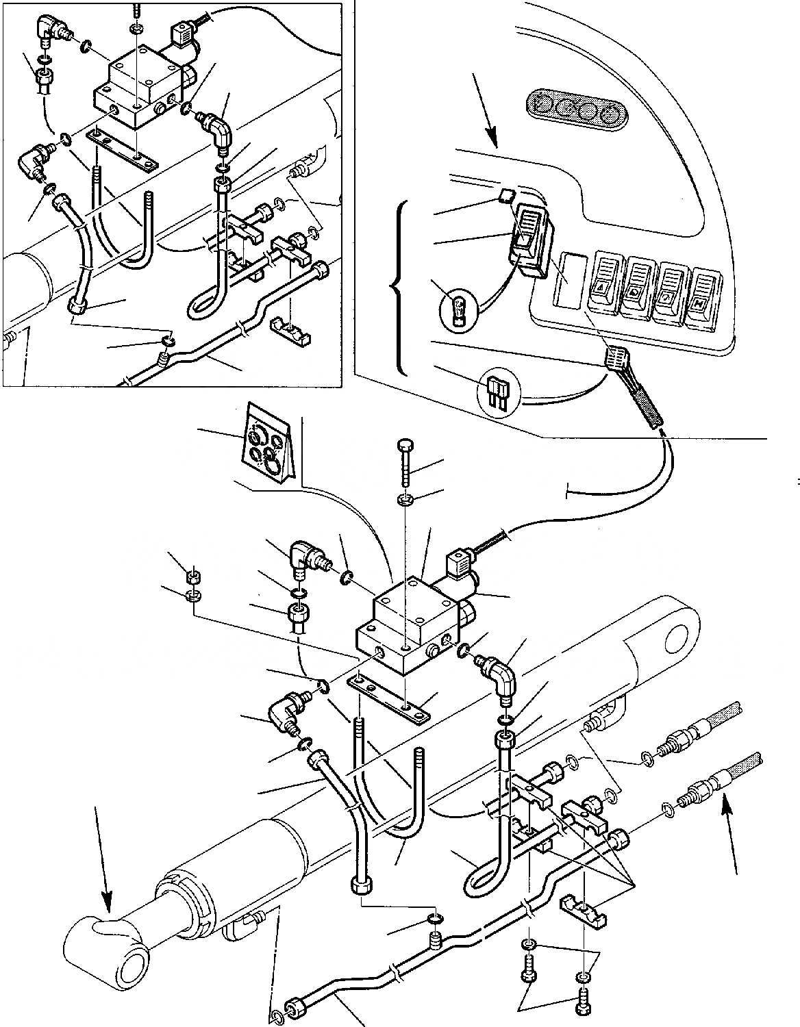
Запчасти Komatsu WB140-2 ГИДРОЛИНИЯ (ЦИЛИНДР ПОДЪЕМА ПОГРУЗ. КОВША) (ЭЛЕКТРИЧ. КЛАПАН БЕЗОПАСНОСТИ) ГИДРАВЛИКА РАБОЧЕЕ ОБОРУДОВАНИЕ

Схема запчастей Komatsu WB140-2 - ГИДРОЛИНИЯ (ЦИЛИНДР ПОДЪЕМА ПОГРУЗ. КОВША) (ЭЛЕКТРИЧ. КЛАПАН БЕЗОПАСНОСТИ) ГИДРАВЛИКА РАБОЧЕЕ ОБОРУДОВАНИЕ
21
25
10
9
11
13
28
20
27
29
26
17
30
15
31
14
2
4
5
1
10
9
8
11
5
3
24
10
9
19
11
6
12
18
20
16
12
7
15
22
23
14
A
B
B
FIT
1:1
100%

Артикул

Название

Примечание

Количество

1

845250013

VALVE

2

845250505

GASKET, KIT

3

845750001

SOLENOID

4

801015547

BOLT

5

802170001

SPRING WASHER

6

312237601

PLATE

7

312237600

FASTENER

8

801920104

NUT

9

500380510

TERMINAL

10

855051617

O-RING

11

855051016

O-RING

12

312637070

PIPE

13

312637073

PIPE

14

312637068

PIPE

15

855051012

O-RING

16

312637069

PIPE

17

312637072

PIPE

18

500380503

TERMINAL

19

855051111

O-RING

20

855051012

O-RING

21

200390970

BUCKLE

22

801015089

BOLT

23

802170001

SPRING WASHER

24

312637071

PIPE

25

312637074

PIPE

26

885270665

WIRING, ASSY

27

885081088

SWITCH SECURITY VALVE

28

885141108

GLASS

29

885141072

BULB

30

885411096

CONNECTOR

31

885091008

FUSE 15A

Выбрано товаров: 31