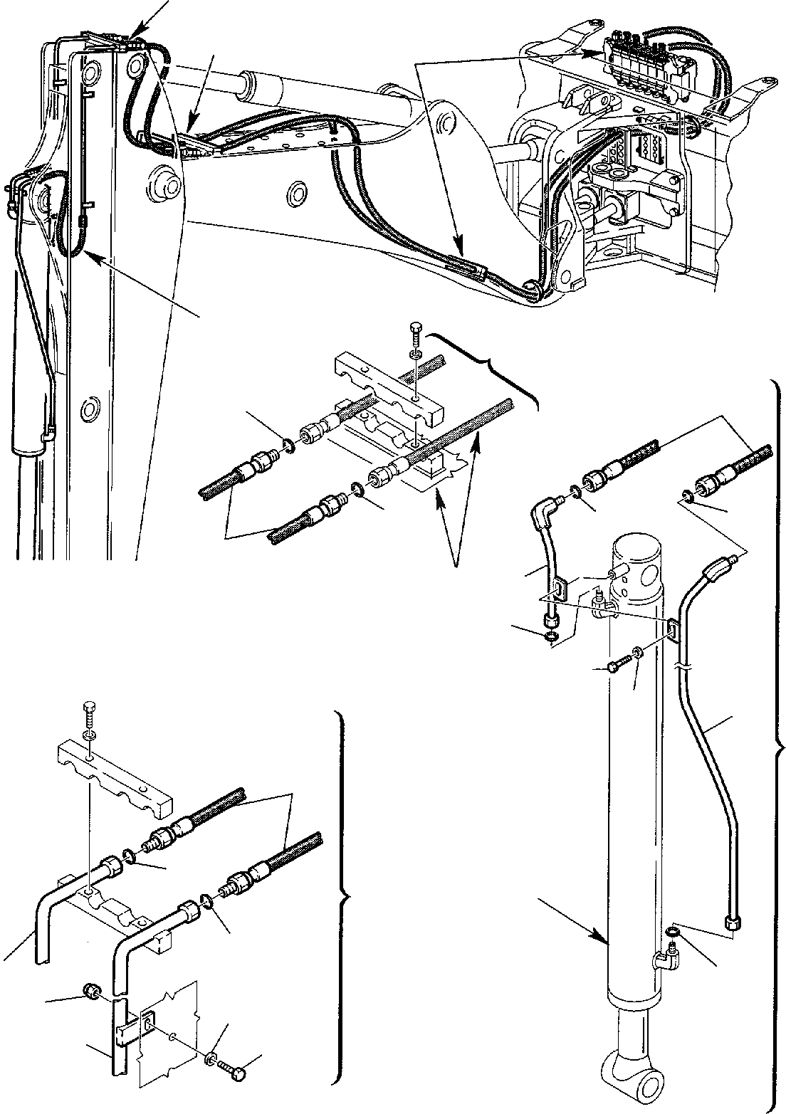
Запчасти Komatsu WB140-2 ГИДРОЛИНИЯ (ЦИЛИНДР КОВША) (ФИКСИР. РУКОЯТЬ) ГИДРАВЛИКА РАБОЧЕЕ ОБОРУДОВАНИЕ

Схема запчастей Komatsu WB140-2 - ГИДРОЛИНИЯ (ЦИЛИНДР КОВША) (ФИКСИР. РУКОЯТЬ) ГИДРАВЛИКА РАБОЧЕЕ ОБОРУДОВАНИЕ
A
A
B
B
C
C
2
11
4
11
2
10
3
2
12
13
1
10
11
11
5
2
8
9
6
7
A
B
C
FIT
1:1
100%

Артикул

Название

Примечание

Количество

1

312739067

PIPE

2

855051016

O-RING

3

312739066

PIPE

5

312739055

PIPE, R.H.

6

312739056

PIPE, L.H.

7

801015111

BOLT

8

801880001

SELF-LOCKING NUT

9

802170002

WASHER

11

855051016

O-RING

13

802170002

WASHER

Выбрано товаров: 0