Качественные детали и логистика
Оригинальные и аналоговые запчасти с доставкой по России, Казахстану и Беларуси
©2022 PartSell ООО "Система" ИНН 2463123282 ОГРН 1212400004838
Центральный офис: г. Красноярск, Академика Киренского, д.87, пом.4
Телефон: 8 (800) 777-65-74 Email: zakaz@partsell.ru
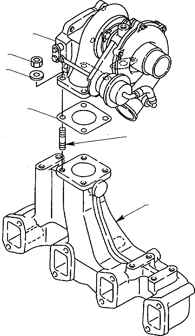
ТУРБОНАГНЕТАТЕЛЬ (TURBO ДВИГАТЕЛЬ)
№
Артикул
Название
Примечание
Количество
\0
871070040
TURBO ENGINE
1
YM123901-18090
GASKET
2
YM22117-080000
WASHER
3
YM26703-080002
NUT
4
YM123910-18020
TURBINE
Выбрано товаров: 0