Запчасти Komatsu WB140-2 ТРАНСМИССИЯ (WD) (/) РАМА

Схема запчастей Komatsu WB140-2 - ТРАНСМИССИЯ (WD) (/) РАМА
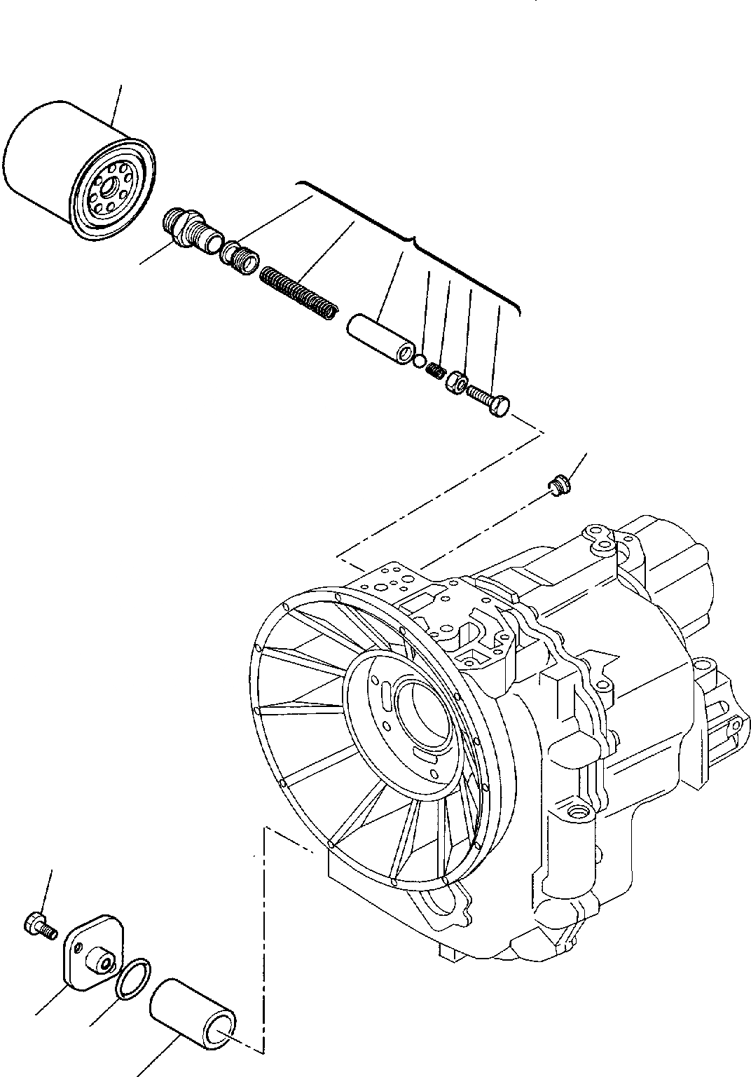
1
2
7
8
6
5
4
3
FIT
1:1
100%

Артикул

Название

Примечание

Количество

\0

200120058

GEAR SHAFT, ASSY

1

CA0139413

OIL FILTER

2

CA0133070

VALVE KIT

3

CA0135859

OIL FILTER

4

CA0028131

O-RING

5

CA0131368

COVER

6

CA0020777

BOLT

7

CA0131217

UNION

8

CA0030720

PLUG

Выбрано товаров: 9