Запчасти Komatsu WB140-2 ПЕРЕДНИЙ МОСТ (WD) (/) РАМА

Схема запчастей Komatsu WB140-2 - ПЕРЕДНИЙ МОСТ (WD) (/) РАМА
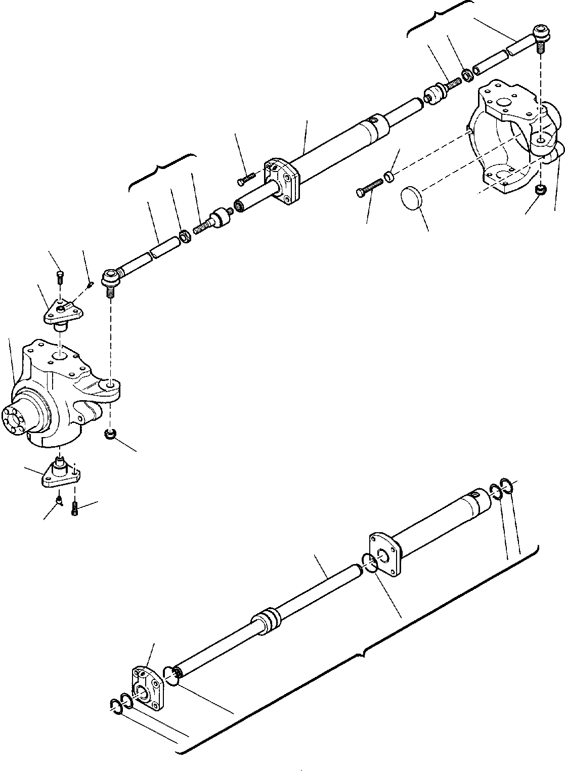
8
11
10
9
13
12
14
8
9
10
11
17
7
15
16
1
2
3
4
7
5
2
6
18
19
20
FIT
1:1
100%

Артикул

Название

Примечание

Количество

\0

200040622

FRONT AXLE, ASSY

3

CA0128880

KING PIN

4

CA0138721

SWIVEL HOUSING, L.H.

5

CA0128881

KING PIN

6

CA0024211

FITTING

8

CA0140265

STERING ARM ASSY

9

CA0350878

SPHERICAL JOINT

11

CA0351887

TIE ROD

12

CA0139495

JACK

13

CA0128534

BOLT

14

CA0022129

NUT

15

CA0124748

BOLT

16

CA0123171

PLUG

17

CA0138720

SWIVEL HOUSING, R.H.

18

CA0049083

ROD

19

CA0049084

CYLINDER HEAD

20

CA0049210

GASKET KIT

Выбрано товаров: 0