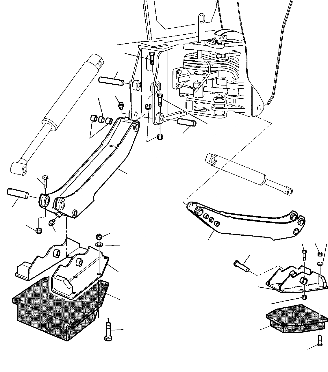
Запчасти Komatsu WB140-2 ГОРИЗОНТАЛЬН. ОПОРА (С РЕЗИН.) (ОПЦИОНН.) РАБОЧЕЕ ОБОРУДОВАНИЕ

Схема запчастей Komatsu WB140-2 - ГОРИЗОНТАЛЬН. ОПОРА (С РЕЗИН.) (ОПЦИОНН.) РАБОЧЕЕ ОБОРУДОВАНИЕ
15
9
12
18
16
4
2
18
17
3
19
1
6
5
7
15
4
14
1
14
8
11
11
10
13
12
13
FIT
1:1
100%

Артикул

Название

Примечание

Количество

1

312702059

BEARING BOOM

2

500250024

SPACER

3

500212014

BUSHING

4

860010007

FITTING

5

390597056

PIN

6

801015584

BOLT

7

801880212

SELF-LOCKING NUT

8

312302059

PIN

9

801015582

BOLT

10

801880212

SELF-LOCKING NUT

11

312702055

FOOT

12

312702056

RUBBERIZED FOOT

13

801015188

BOLT

14

802170005

WASHER

15

801880216

SELF-LOCKING NUT

16

390597057

PIN

17

390597058

PIN

18

801015584

BOLT

19

801880212

SELF-LOCKING NUT

Выбрано товаров: 19