Запчасти Komatsu WB140-2 СИСТЕМА ОХЛАЖДЕНИЯ (ASPIRATED ДВИГАТЕЛЬ) ДВИГАТЕЛЬ

Схема запчастей Komatsu WB140-2 - СИСТЕМА ОХЛАЖДЕНИЯ (ASPIRATED ДВИГАТЕЛЬ) ДВИГАТЕЛЬ
56
42
A
52
51
50
49
53
58
55
4
45
44
57
43
40
46
30
18
16
40
41
37
40
39
2
31
29
40
1
47
48
19
40
40
20
22
23
21
B
C
D
FIT
1:1
100%

Артикул

Название

Примечание

Количество

\0

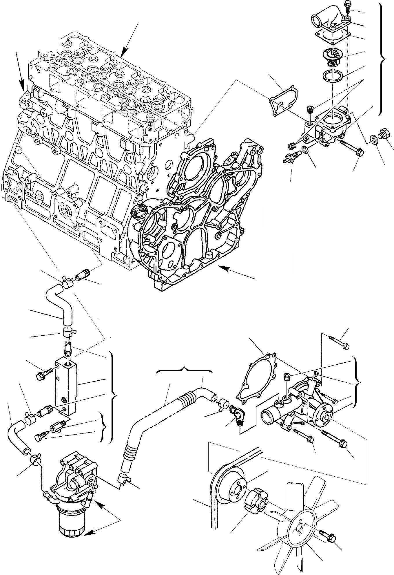
871070048

ASPIRATED ENGINE

1

YM129466-49300

ELBOW

2

YM123900-42000

PUMP, ASSY

16

YM123900-42050

GASKET

18

YM26106-080552

BOLT

19

YM123900-42450

PULLEY

20

YM123900-42480

BELT

21

YM123900-44731

FAN

22

YM123910-44760

SPACER

23

YM26106-100452

BOLT

29

YM23910-49031

TUBE

30

YM123910-49040

TUBE

31

YM123910-42600

DRAIN , ASSY

37

YM123910-49600

TUBE

39

YM123910-49610

PROTECTION

40

YM230000-025000

CLAMP

41

YM26106-080402

BOLT

42

YM121450-42450

PLUG

43

YM121250-44901

THERMOSTAT

44

YM124465-44950

GASKET

45

YM124465-44950

GASKET

46

YM121851-11970

JOINT

47

YM26106-060502

BOLT

48

YM26106-080702

BOLT

49

YM123910-49800

THERMOSTAT CASE, ASSY

50

YM124610-48620

THERMOSTAT

51

YM124610-49291

GASKET

52

YM123910-49530

THERMOSTAT COVER

53

YM123500-49550

GASKET

55

YM23876-030000

PLUG

56

YM26106-080702

BOLT

57

YM26106-080602

BOLT

58

YM123900-49820

GASKET

Выбрано товаров: 0